EtherCAT (Controlador)
-
Cuando esta interfaz está conectada al producto, no cumple con la certificación DNV-GL.
-
Cuando esta interfaz está conectada al Advanced Box o Advanced Type, se requiere el kit del ventilador.
-
Cuando esta interfaz está conectada al producto, úselo en el siguiente entorno.
Temperatura ambiente:-
Advanced Box o modelo Advanced con el kit del ventilador: 0...45 °C (32...113 °F)
-
Standard Box o modelo Estándar: 0...40 °C (32...104 °F)
-

-
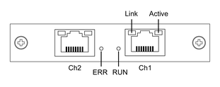
Interfaz EtherCAT
-
No disponible (reservado)
Especificaciones
| Número del producto | PFXYP6MPECAT |
|
Conector |
Conector modular (RJ-45) x 2 |
|
Norma |
IEC 61784-2 RTE CPF12, ETG.1020, ETG.1500, ETG.2100, IEEE 802.3 |
|
Consumo de energía (máx.) |
3,0 W |
|
Velocidad de vínculo |
100 Mbps |
|
Distancia de comunicación máxima |
100 m (328,1 ft) |
|
Número de esclavos conectables |
200 (máx.) |
|
Tiempo de ciclo (mín.) |
205 μs NOTA: Según el número de esclavos utilizados y el número
de datos de entrada y de salida cíclicos utilizados. El tiempo
de ciclo recomendado es de 1 ms o más.
|
|
Datos cíclicos (máx.) |
Entrada: 5760 bytes, Salida: 5760 bytes |
ATENCIÓN
|
|---|
|
PÉRDIDA DE COMUNICACIÓN
Si no se siguen estas instrucciones, pueden producirse lesiones o daños en el equipo.
|
Indicaciones del LED

|
LED |
Color |
Indicador |
Descripción |
|---|---|---|---|
|
RUN |
Verde |
ON |
Operativo |
|
Destello único*1 |
Operación segura |
||
|
Titileo*2 |
Inicio |
||
|
Parpadeo*3 |
Preoperativo |
||
|
OFF |
INIT |
||
|
ERR |
Rojo |
ON |
Error de comunicación |
|
OFF |
Sin errores |
||
|
Link |
Verde |
ON |
Vincular a Ethernet |
|
OFF |
No vinculado a Ethernet |
||
|
Active |
Amarillo |
Titileo |
Enviando/Recibiendo tramas Ethernet |
|
OFF |
No enviando/recibiendo tramas Ethernet |
*1 Destello único: Repite 200 ms ON y un segundo OFF
*2 Titileo: Destella cada 50 ms
*3 Parpadeo: Destella cada 200 ms
ATENCIÓN