EtherCAT (Controller)
-
Quando questa interfaccia è collegata al prodotto, quest'ultimo non ottempera alla certificazione DNV-GL.
-
Quando questa interfaccia è collegata all'Advanced Box o all'Advanced Type, è necessario avere il kit VENTOLA.
-
Quando questa interfaccia è collegata al prodotto, quest'ultimo va usato con
Aria a temperatura ambiente:-
Modello Advanced Box o Advanced con kit VENTOLA: 0...45 °C (32...113 °F)
-
Modello Standard Box o Standard: 0...40 °C (32...104 °F)
-

-
Interfaccia EtherCAT
-
Non disponibile (riservata)
Specifiche
| Numero prodotto | PFXYP6MPECAT |
|
Connettore |
Jack modulare (RJ-45) x 2 |
|
Standard |
IEC 61784-2 RTE CPF12, ETG.1020, ETG.1500, ETG.2100, IEEE 802.3 |
|
Consumo di corrente (max.) |
3,0 W |
|
Velocità di collegamento |
100 Mbps |
|
Distanza di comunicazione massima |
100 m (328,1 ft) |
|
Numero di unità slave collegabili |
200 (max.) |
|
Tempo di ciclo (min.) |
205 μs NOTA: A seconda del numero di unità slave utilizzate e del numero
di ingressi/uscite dati ciclici utilizzati. Il tempo di ciclo consigliato
è di 1 ms o maggiore.
|
|
Dati ciclici (max.) |
Ingresso: 5.760 bytes, Uscita: 5.760 bytes |
ATTENZIONE
|
|---|
|
PERDITA DI COMUNICAZIONE
Il mancato rispetto di queste istruzioni può provocare infortuni o danni alle apparecchiature.
|
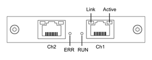
Indicazioni dei LED

|
LED |
Colore |
Indicatore |
Descrizione |
|---|---|---|---|
|
RUN |
Verde |
ON |
Operativo |
|
Singolo Flash*1 |
Funzionamento sicuro |
||
|
Lampeggio rapido*2 |
Boot |
||
|
Lampeggio normale*3 |
Pre-operativo |
||
|
OFF |
INIZ |
||
|
ERR |
Rosso |
ON |
Errore di comunicazione |
|
OFF |
Nessun errore |
||
|
Link |
Verde |
ON |
Collegamento a Ethernet |
|
OFF |
Nessun collegamento a Ethernet |
||
|
Active |
Giallo |
Tremolio |
Invio/Ricezione frame Ethernet |
|
OFF |
Mancato invio/ricezione frame Ethernet |
*1 Lampeggio singolo: Ripetizioni di 200 ms ACCESO e 1 secondo SPENTO
*2 Lampeggio rapido: Lampeggio ogni 50 ms
*3 Lampeggio normale: Lampeggio ogni 200 ms
ATTENZIONE