EtherCAT(컨트롤러)
-
이 인터페이스가 제품에 부착되는 경우 DNV-GL 인증을 준수하지 않습니다.
-
이 인터페이스가 Advanced Box나 고급 유형에 부착되는 경우 FAN 키트가 필요합니다.
-
이 인터페이스가 제품에 부착되는 경우 다음 환경에서 사용하십시오.
주변 공기 온도:-
FAN 키트가 있는 Advanced Box 또는 고급 모델: 0...45 °C (32...113 °F)
-
Standard Box 또는 표준 모델: 0...40 °C (32...104 °F)
-

-
EtherCAT 인터페이스
-
사용할 수 없음(예약됨)
사양
| 제품 번호 | PFXYP6MPECAT |
|
커넥터 |
모듈형 잭(RJ-45) x 2 |
|
표준 |
IEC 61784-2 RTE CPF12, ETG.1020, ETG.1500, ETG.2100, IEEE 802.3 |
|
소비 전력(최대) |
3.0 W |
|
링크 속도 |
100 Mbps |
|
최대 통신 거리 |
100 m(328.1 ft) |
|
연결 가능한 슬레이브 수 |
200(최대) |
|
주기 시간(분) |
205 μs 주의: 사용된 슬레이브 수와
사용된 순환 입력 데이터
및 출력 데이터 수에
따라 다릅니다. 권장
주기 시간은 1 ms 이상입니다.
|
|
순환 데이터(최대) |
입력: 5,760바이트, 출력: 5,760바이트 |
주의
|
|---|
|
통신 장애
이러한 지침을 따르지 않을 경우 부상 또는 장비 손상이 초래될 수 있습니다.
|
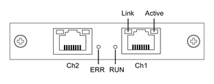
LED 표시

|
LED |
색상 |
표시 장치 |
설명 |
|---|---|---|---|
|
RUN |
녹색 |
켜짐 |
작동 |
|
단일 플래시* 1 |
안전 작동 |
||
|
점멸* 2 |
Boot |
||
|
깜박임* 3 |
작동 전 |
||
|
꺼짐 |
INIT |
||
|
ERR |
적색 |
켜짐 |
통신 오류 |
|
꺼짐 |
오류 없음 |
||
|
Link |
녹색 |
켜짐 |
이더넷 연결 |
|
꺼짐 |
이더넷에 연결되지 않음 |
||
|
Active |
노란색 |
점멸 |
이더넷 프레임 송신/수신 중 |
|
꺼짐 |
이더넷 프레임 송신/수신 중이 아님 |
*1 단일 플래시: 200 ms 켜짐 및 1초 꺼짐 반복
*2 점멸: 50 ms마다 반짝임
*3 깜박임: 200 ms마다 반짝임
주의