EtherCAT (コントローラー)
-
このインターフェイスを製品に取り付けた場合は、DNV-GL 認証に適合しません。
-
このインターフェイスをアドバンストボックスまたはアドバンストタイプに取り付ける場合は、ファンキットを取り付ける必要があります。
-
このインターフェイスを製品に取り付ける場合は、以下の環境でご使用ください。
使用周囲温度:-
ファンキット付きアドバンストボックスモデル: 0...45 °C (32...113 °F)
-
スタンダードボックスまたはスタンダードモデル: 0...40 °C (32...104 °F)
-

-
EtherCAT インターフェイス
-
使用不可 (予備)
仕様
| 型式 | PFXYP6MPECAT |
|
コネクター |
モジュラージャック (RJ-45) x 2 |
|
対応規格 |
IEC 61784-2 RTE CPF12、ETG.1020、ETG.1500、ETG.2100、IEEE 802.3 |
|
消費電力 (最大) |
3.0 W |
|
リンク速度 |
100 Mbps |
|
最大通信距離 |
100 m (328.1 ft) |
|
接続スレーブ数 |
200 (最大) |
|
サイクルタイム (分) |
205 μs 注記: スレーブの使用数とサイクリック入力データおよび出力データの使用数に依存します。推奨サイクルタイムは 1 ms 以上です。
|
|
サイクリックデータ (最大) |
入力: 5,760 バイト、出力: 5,760 バイト |
注意
|
|---|
|
通信の途切れ
上記の指示に従わないと、負傷または機器の損傷を負う可能性があります。
|
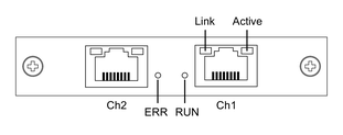
LED 表示

|
LED |
色 |
状態 |
内容 |
|---|---|---|---|
|
RUN |
緑色 |
点灯 |
動作中 |
|
シングルフラッシュ*1 |
セルフオペレーショナル状態 |
||
|
フリッカーリング*2 |
ブート |
||
|
ブリンキング*3 |
プレオペレーショナル状態 |
||
|
消灯 |
INIT |
||
|
ERR |
赤色 |
点灯 |
通信エラー |
|
消灯 |
異常なし |
||
|
Link |
緑色 |
点灯 |
イーサネットにリンク |
|
消灯 |
イーサネットにリンクなし |
||
|
Active |
黄色 |
フリッカーリング |
イーサネットフレーム送受信中 |
|
消灯 |
イーサネットフレーム送受信なし |
*1 シングルフラッシュ: 200 ms 点灯、1秒消灯の繰り返し
*2 フリッカリング: 50 ms ごとの点滅
*3 ブリンキング: 200 ms ごとの点滅
注意