Precauciones de la fuente de alimentación
PELIGRO
|
|---|
|
CORTOCIRCUITO, INCENDIO O FUNCIONAMIENTO
INESPERADO DEL EQUIPO
Si no se siguen estas instrucciones, se producirán lesiones graves o la muerte.
|
Mejora de la resistencia al ruido/sobretensiones
-
El cable de alimentación de este producto no se debe agrupar con líneas de circuitos principales (alta tensión, alta corriente) ni con líneas de señales de entrada/salida, ni colocarse cerca de las mismas, y todos los sistemas se deben mantener separados. Si las líneas eléctricas no se pueden cablear a través de un sistema separado, use cables blindados para las líneas de entrada/salida.
-
Asegúrese de que el cable de alimentación sea lo más corto posible y trence los extremos de los cables (por ejemplo, cableado trenzado) cerca de fuente de alimentación.
-
Si se produce un exceso de ruido en la línea de alimentación, conecte un transformador para reducir los ruidos, un filtro de ruidos u otro dispositivo antes de encender el equipo.
-
Conecte un dispositivo de protección contra sobretensiones para controlar las subidas de tensión.
-
Para aumentar la resistencia al ruido, conecte un núcleo de ferrita al cable de alimentación.
Conexiones de la fuente de alimentación
-
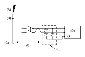
Cuando suministre energía a este producto, conecte la alimentación tal como se muestra a continuación.
-
El siguiente dibujo muestra la conexión de un supresor de sobretensiones:
-
Conecte un supresor de sobretensiones para evitar daños a este producto como resultado de una subida de tensión proveniente de un gran campo electromagnético generado por el impacto directo de un rayo.
También recomendamos conectar el cable cruzado de tierra de este producto cerca del borne de tierra del supresor de sobretensiones.
Se espera que este producto se vea afectado debido a fluctuaciones en la potencia de puesta a tierra cuando hay una sobrecarga de energía eléctrica importante en la tierra del pararrayos cuando cae el rayo. Deje una distancia adecuada entre el punto de conexión a tierra del pararrayos y el punto de conexión a tierra del supresor de sobretensiones.
-
Seleccione una fuente de alimentación con un bajo nivel de ruido para conectar entre la línea y tierra. Si hay un exceso de ruido, conecte un transformador de aislamiento. Utilice transformadores de aislamiento con capacidades superiores al consumo de energía máximo, incluso el del Box Module. Consulte Especificaciones eléctricas.
PELIGRO



