EtherCAT (控制器)
-
当此接口连接到产品时,它将不符合 DNV-GL 认证。
-
当此接口连接到高级主机模块或高级类型时,需要风扇套件。
-
当此接口连接到产品时,请在以下环境中使用。
环境空气温度:-
带风扇套件的高级主机模块或高级型号: 0...45 °C (32...113 °F)
-
标准主机模块或标准型号: 0...40 °C (32...104 °F)
-

-
EtherCAT 接口
-
不可用 (保留)
规格
| 产品编号 | PFXYP6MPECAT |
|
连接器 |
模块插孔 (RJ-45) x 2 |
|
标准 |
IEC 61784-2 RTE CPF12, ETG.1020, ETG.1500, ETG.2100, IEEE 802.3 |
|
功耗(最大) |
3.0 W |
|
链接速度 |
100 Mbps |
|
最大通信距离 |
100 m (328.1 ft) |
|
可连接的从站数量 |
200 (最大) |
|
循环时间 (分钟) |
205 μs 注: 取决于使用的从站数量以及循环输入数据和输出数据的数量。建议的循环时间为 1 ms 或更长。
|
|
循环数据 (最大) |
输入: 5,760 字节, 输出: 5,760 字节 |
小心
|
|---|
|
通信失败
不遵循上述说明可能导致人身伤害或设备损坏。
|
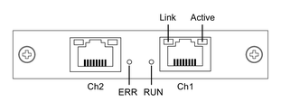
LED 指示

|
LED |
颜色 |
指示灯 |
说明 |
|---|---|---|---|
|
RUN |
绿色 |
ON |
运行 |
|
单闪*1 |
安全操作 |
||
|
一闪一闪*2 |
开机 |
||
|
慢闪*3 |
运行前 |
||
|
OFF |
INIT |
||
|
ERR |
红色 |
ON |
通讯错误 |
|
OFF |
无错误 |
||
|
Link |
绿色 |
ON |
链接到以太网 |
|
OFF |
未链接到以太网 |
||
|
Active |
黄色 |
一闪一闪 |
发送/接收以太网帧 |
|
OFF |
不发送/接收以太网帧 |
*1 单闪:开启 200 ms 后关闭 1 秒钟,如此重复
*2 快闪: 每 50 ms 闪烁一次
*3 慢闪: 每 200 ms 闪烁一次
小心