EtherCAT (Contrôleur)
-
Lorsque cette interface est connectée au produit, elle n'est pas conforme à la certification DNV-GL.
-
Lorsque cette interface est connectée à Advanced Box ou Advanced Type, le kit ventilateur est requis.
-
Lorsque cette interface est connectée au produit, utilisez-la dans l'environnement suivant.
Température ambiante :-
Advanced Box ou modèle Advanced avec kit ventilateur : 0...45 °C (32...113 °F)
-
Standard Box ou modèle Standard : 0...40 °C (32...104 °F)
-

-
Interface EtherCAT
-
Non disponible (réservé)
Caractéristiques
| Référence du produit | PFXYP6MPECAT |
|
Connecteur |
Prise modulaire (RJ-45) x 2 |
|
Standard |
IEC 61784-2 RTE CPF12, ETG.1020, ETG.1500, ETG.2100, IEEE 802.3 |
|
Consommation d’énergie (max.) |
3,0 W |
|
Vitesse de liaison |
100 Mbps |
|
Distance de communication maximale |
100 m (328,1 ft) |
|
Nombre d'esclaves connectables |
200 (max.) |
|
Temps de cycle (min.) |
205 μs NOTE: En fonction du nombre d'esclaves utilisés et du nombre
utilisé de données d'entrée et de sortie cycliques.
Le temps de cycle recommandé est 1 ms ou plus.
|
|
Données cycliques (max.) |
Entrée : 5 760 octets, Sortie : 5 760 octets |
ATTENTION
|
|---|
|
PERTE DE COMMUNICATION
Le non-respect de ces instructions peut provoquer des blessures ou des dommages matériels.
|
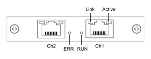
Indications de voyant

|
Voyant |
Couleur |
Indicateur |
Description |
|---|---|---|---|
|
RUN |
Vert |
Allumé |
En cours de fonctionnement |
|
Clignotement unique*1 |
Sûr-opérationnel |
||
|
Scintillant*2 |
Démarrer |
||
|
Clignotant*3 |
Avant fonctionnement |
||
|
Éteint |
INIT |
||
|
ERR |
Rouge |
Allumé |
Erreur de communication |
|
Éteint |
Aucune erreur |
||
|
Lien |
Vert |
Allumé |
Lien vers Ethernet |
|
Éteint |
Non lié à Ethernet |
||
|
Actif |
Jaune |
Vacille |
Envoi/réception de trames Ethernet |
|
Éteint |
Pas d'envoi/réception de trames Ethernet |
*1 Clignotement unique : Se répète 200 ms Allumé et 1 seconde Éteint
*2 Scintillant : Clignote toutes les 50 ms
*3 Clignotement : Clignote toutes les 200 ms
ATTENTION