EtherCAT (Controller)
-
When this interface is attached to the product, it does not comply with DNV-GL certification.
-
When this interface is attached to Advanced Box or Advanced Type, the FAN kit is required.
-
When this interface is attached to the product, use in the following environment.
Ambient air temperature:-
Advanced Box or Advanced model with FAN kit: 0...45 °C (32...113 °F)
-
Standard Box or Standard model: 0...40 °C (32...104 °F)
-

-
EtherCAT interface
-
Not available (reserved)
Specifications
| Product number | PFXYP6MPECAT |
|
Connector |
Modular jack (RJ-45) x 2 |
|
Standard |
IEC 61784-2 RTE CPF12, ETG.1020, ETG.1500, ETG.2100, IEEE 802.3 |
|
Power consumption (max.) |
3.0 W |
|
Link speed |
100 Mbps |
|
Maximum communication distance |
100 m (328.1 ft) |
|
Number of connectable slaves |
200 (max.) |
|
Cycle time (min.) |
205 μs NOTE: Depending on the used number of slaves and the used number
of cyclic input data and output data. Recommended cycle time is 1 ms or more.
|
|
Cyclic data (max.) |
Input: 5,760 bytes, Output: 5,760 bytes |
CAUTION
|
|---|
|
LOSS OF COMMUNICATION
Failure to follow these instructions can result in injury or equipment damage.
|
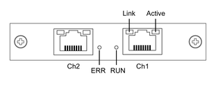
LED Indications

|
LED |
Color |
Indicator |
Description |
|---|---|---|---|
|
RUN |
Green |
ON |
Operational |
|
Single Flash*1 |
Safe-operational |
||
|
Flickering*2 |
Boot |
||
|
Blinking*3 |
Pre-operational |
||
|
OFF |
INIT |
||
|
ERR |
Red |
ON |
Communication error |
|
OFF |
No errors |
||
|
Link |
Green |
ON |
Link to Ethernet |
|
OFF |
Not linked to Ethernet |
||
|
Active |
Yellow |
Flickering |
Sending/Receiving Ethernet frames |
|
OFF |
Not sending/receiving Ethernet frames |
*1 Single flash: Repeats 200 ms ON and 1 second OFF
*2 Flickering: Flashes every 50 ms
*3 Blinking: Flashes every 200 ms
CAUTION