EtherCAT (Steuerung)
-
Wenn diese Schnittstelle an das Produkt angeschlossen ist, entspricht sie nicht der DNV-GL-Zertifizierung.
-
Wenn diese Schnittstelle an ein Modell Advanced Box oder Advanced Type angeschlossen ist, ist der Lüftersatz erforderlich.
-
Wenn diese Schnittstelle an das Produkt angeschlossen ist, verwenden Sie sie in der folgenden Umgebung.
Umgebungslufttemperatur:-
Modell Advanced Box oder Advanced Type mit Lüftersatz: 0...45 ° C (32...113 ° F)
-
Modell Standard Box oder Standard: 0...40 ° C (32...104 ° F)
-

-
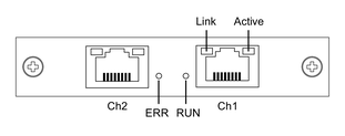
EtherCAT-Schnittstelle
-
Nicht verfügbar (reserviert)
Kenndaten
| Produktnummer | PFXYP6MPECAT |
|
Stecker |
Modular Jack-Stecker (RJ-45) x 2 |
|
Normen |
IEC 61784-2 RTE CPF12, ETG.1020, ETG.1500, ETG.2100, IEEE 802.3 |
|
Stromaufnahme (max.) |
3,0 W |
|
Link-Geschwindigkeit |
100 Mbps |
|
Maximale Kommunikationsdistanz |
100 m (328,1 ft) |
|
Anzahl von angeschlossen Slaves |
200 (max.) |
|
Zykluszeit (min.) |
205 μs HINWEIS: Abhängig von der verwendeten Anzahl von Slaves und der
verwendeten Anzahl von zyklischen Eingangs- und Ausgangsdaten. Die
empfohlene Zykluszeit beträgt 1 ms oder mehr.
|
|
Zyklusdaten (max.) |
Eingang: 5.760 Byte, Ausgang: 5.760 Byte |
VORSICHT
|
|---|
|
KOMMUNIKATIONSVERLUST
Die Nichtbeachtung dieser Anweisungen kann Verletzungen oder Sachschäden zur Folge
haben.
|
LED-Anzeigen

|
LED |
Farbe |
Anzeige |
Beschreibung |
|---|---|---|---|
|
RUN |
Grün |
EIN |
Betriebsbereit |
|
Einzelnes Aufblinken*1 |
Sicher betriebsbereit |
||
|
Flackern*2 |
Hochfahren |
||
|
Blinken*3 |
Vor Betrieb |
||
|
AUS |
INIT |
||
|
ERR |
Rot |
EIN |
Kommunikationsfehler |
|
AUS |
Keine Fehler |
||
|
Link |
Grün |
EIN |
Link zu Ethernet |
|
AUS |
Keine Veknüpfung zu Ethernet |
||
|
Active |
Gelb |
Flackern |
Senden/Empfang von Ethernet-Frames |
|
AUS |
Kein Senden/Empfang von Ethernet-Frames |
*1 Einzelnes Aufblinken: Wiederholt 200 ms EIN und 1 Sekunde AUS
*2 Flackern: Blinken alle 50 ms
*3 Blinken: Blinken alle 200 ms
VORSICHT