16DI/8DO
Cuando usa esta interfaz de E/S digital, puede controlar la E/S externa. Conecte la unidad de interfaz a este producto y utilice también el cable que viene incluido para conectar a la unidad terminal del riel DIN 16DI/8DO. La unidad terminal está diseñada para su montaje en el riel DIN.
-
Cuando esta interfaz 16DI/8DO está instalada en el producto, no cumple con la certificación UL.
-
La API y la utilidad de muestra (incluido el código fuente) se encuentran publicados en nuestro sitio web. Para obtener información sobre el archivo a descargar, consulte API.
Contenido del paquete

-
Interfaz 16DI/8DO
-
Cable de conexión (2 m)
-
Unidad terminal
Especificaciones
| Número del producto | PFXYP6MPX16Y8 | |
|
Conector |
Sub-D de 15 pines (zócalo) x 2 |
|
|
Consumo de energía (máx.) |
1,4 W |
|
|
Entrada digital |
Canales |
16 |
|
Tensión de entrada |
Contacto húmedo Lógica 0: 0…3 Vcc, Lógica 1: 10…30 Vcc Contacto seco Lógica 0: Abierto, Lógica 1: GND |
|
|
Corriente de entrada |
0,5 mA (10 Vcc) … 9 mA (30 Vcc) |
|
|
Protección contra sobretensiones |
70 Vcc |
|
|
Tensión de aislamiento |
1.250 Vca |
|
|
Tiempo de respuesta |
Normalmente: 50 μs (máx.: 65 μs) |
|
|
Fuente de alimentación interna para contacto seco |
12 Vcc (max.: 2,3 mA/ch) |
|
|
Salida digital |
Canales |
8 |
|
Tipo de salida |
MOS FET |
|
|
Tensión de salida |
5...30 Vcc |
|
|
Corriente de drenaje (máx.) |
100 mA/ch |
|
|
Tensión de aislamiento |
1.250 Vca |
|
|
Tiempo de respuesta |
Normalmente: 50 μs (máx.: 65 μs) |
|
|
Contador |
Canales |
2 |
|
Resolución |
32 bits |
|
|
Frecuencia de entrada (máx.) |
Cuando la función antirrebote está desactivada: 10 kHz |
|
Asignación de pines
Conector 1
|
N.º del pin |
Nombre de la señal |
Dirección |
Descripción |
|---|---|---|---|
|
1 |
DI0/CNT0 |
Entrada |
Entrada digital ch0/Entrada del contador ch0 |
|
2 |
DI1 |
Entrada |
Entrada digital ch1 |
|
3 |
DI2 |
Entrada |
Entrada digital ch2 |
|
4 |
DI3 |
Entrada |
Entrada digital ch3 |
|
5 |
DI4/CNT1 |
Entrada |
Entrada digital ch4/Entrada del contador ch1 |
|
6 |
DI5 |
Entrada |
Entrada digital ch5 |
|
7 |
DI6 |
Entrada |
Entrada digital ch6 |
|
8 |
DI7 |
Entrada |
Entrada digital ch7 |
|
9 |
ECOM0 |
- |
Común externo de DI (ch0...7) |
|
10 |
EGND |
- |
Toma de tierra externa |
|
11 |
DO0 |
Salida |
Salida digital ch0 |
|
12 |
DO1 |
Salida |
Salida digital ch1 |
|
13 |
DO2 |
Salida |
Salida digital ch2 |
|
14 |
DO3 |
Salida |
Salida digital ch3 |
|
15 |
PCOM |
- |
Diodo común de circulación libre para DO |
|
Carcasa |
FG |
- |
Toma de tierra |
Conector 2
|
N.º del pin |
Nombre de la señal |
Dirección |
Descripción |
|---|---|---|---|
|
1 |
DI8 |
Entrada |
Entrada digital ch8 |
|
2 |
DI9 |
Entrada |
Entrada digital ch9 |
|
3 |
DI10 |
Entrada |
Entrada digital ch10 |
|
4 |
DI11 |
Entrada |
Entrada digital ch11 |
|
5 |
DI12 |
Entrada |
Entrada digital ch12 |
|
6 |
DI13 |
Entrada |
Entrada digital ch13 |
|
7 |
DI14 |
Entrada |
Entrada digital ch14 |
|
8 |
DI15 |
Entrada |
Entrada digital ch15 |
|
9 |
ECOM1 |
- |
Común externo de DI(ch8...15) |
|
10 |
EGND |
- |
Toma de tierra externa |
|
11 |
DO4 |
Salida |
Salida digital ch4 |
|
12 |
DO5 |
Salida |
Salida digital ch5 |
|
13 |
DO6 |
Salida |
Salida digital ch6 |
|
14 |
DO7 |
Salida |
Salida digital ch7 |
|
15 |
PCOM |
- |
Diodo común de circulación libre para DO |
|
Carcasa |
FG |
- |
Toma de tierra |
El tornillo sin fin recomendado es #4-40 (UNC).
Asignación de pines de la unidad terminal
Costado de la unidad terminal: Conector hembra D-Sub de 37 pines

|
N.º del pin |
Nombre de la señal |
Dirección |
Descripción |
|---|---|---|---|
|
1 |
DI0/CNT0 |
Entrada |
Entrada digital ch0/Entrada del contador ch0 |
|
2 |
DI2 |
Entrada |
Entrada digital ch2 |
|
3 |
DI4/CNT1 |
Entrada |
Entrada digital ch4/Entrada del contador ch1 |
|
4 |
DI6 |
Entrada |
Entrada digital ch6 |
|
5 |
DI8 |
Entrada |
Entrada digital ch8 |
|
6 |
DI10 |
Entrada |
Entrada digital ch10 |
|
7 |
DI12 |
Entrada |
Entrada digital ch12 |
|
8 |
DI14 |
Entrada |
Entrada digital ch14 |
|
9 |
ECOM0 |
- |
Común externo de DI (ch0...7) |
|
10 |
PCOM |
- |
Diodo común de circulación libre para DO |
|
11 |
DO0 |
Salida |
Salida digital ch0 |
|
12 |
DO2 |
Salida |
Salida digital ch2 |
|
13 |
DO4 |
Salida |
Salida digital ch4 |
|
14 |
DO6 |
Salida |
Salida digital ch6 |
|
15…19 |
NC |
- |
No hay conexión |
|
20 |
DI1 |
Entrada |
Entrada digital ch1 |
|
21 |
DI3 |
Entrada |
Entrada digital ch3 |
|
22 |
DI5 |
Entrada |
Entrada digital ch5 |
|
23 |
DI7 |
Entrada |
Entrada digital ch7 |
|
24 |
DI9 |
Entrada |
Entrada digital ch9 |
|
25 |
DI11 |
Entrada |
Entrada digital ch11 |
|
26 |
DI13 |
Entrada |
Entrada digital ch13 |
|
27 |
DI15 |
Entrada |
Entrada digital ch15 |
|
28 |
ECOM1 |
- |
Común externo de DI(ch8...15) |
|
29 |
EGND |
- |
Toma de tierra externa |
|
30 |
DO1 |
Salida |
Salida digital ch1 |
|
31 |
DO3 |
Salida |
Salida digital ch3 |
|
32 |
DO5 |
Salida |
Salida digital ch5 |
|
33 |
DO7 |
Salida |
Salida digital ch7 |
|
34…37 |
NC |
- |
No hay conexión |
|
Carcasa |
FG |
- |
Toma de tierra |
El tornillo sin fin recomendado es #4-40 (UNC).
|
N.º del pin |
Nombre de la señal |
Dirección |
Descripción |
|---|---|---|---|
|
1 |
DI0/CNT0 |
Entrada |
Entrada digital ch0/Entrada del contador ch0 |
|
2 |
DI2 |
Entrada |
Entrada digital ch2 |
|
3 |
DI4/CNT1 |
Entrada |
Entrada digital ch4/Entrada del contador ch1 |
|
4 |
DI6 |
Entrada |
Entrada digital ch6 |
|
5 |
DI8 |
Entrada |
Entrada digital ch8 |
|
6 |
DI10 |
Entrada |
Entrada digital ch10 |
|
7 |
DI12 |
Entrada |
Entrada digital ch12 |
|
8 |
DI14 |
Entrada |
Entrada digital ch14 |
|
9 |
ECOM0 |
- |
Común externo de DI (ch0...7) |
|
10 |
PCOM |
- |
Diodo común de circulación libre para DO |
|
11 |
DO0 |
Salida |
Salida digital ch0 |
|
12 |
DO2 |
Salida |
Salida digital ch2 |
|
13 |
DO4 |
Salida |
Salida digital ch4 |
|
14 |
DO6 |
Salida |
Salida digital ch6 |
|
15…19 |
NC |
- |
No hay conexión |
|
20 |
DI1 |
Entrada |
Entrada digital ch1 |
|
21 |
DI3 |
Entrada |
Entrada digital ch3 |
|
22 |
DI5 |
Entrada |
Entrada digital ch5 |
|
23 |
DI7 |
Entrada |
Entrada digital ch7 |
|
24 |
DI9 |
Entrada |
Entrada digital ch9 |
|
25 |
DI11 |
Entrada |
Entrada digital ch11 |
|
26 |
DI13 |
Entrada |
Entrada digital ch13 |
|
27 |
DI15 |
Entrada |
Entrada digital ch15 |
|
28 |
ECOM1 |
- |
Común externo de DI(ch8...15) |
|
29 |
EGND |
- |
Toma de tierra externa |
|
30 |
DO1 |
Salida |
Salida digital ch1 |
|
31 |
DO3 |
Salida |
Salida digital ch3 |
|
32 |
DO5 |
Salida |
Salida digital ch5 |
|
33 |
DO7 |
Salida |
Salida digital ch7 |
|
34…37 |
NC |
- |
No hay conexión |
|
38 |
FG |
- |
Toma de tierra |
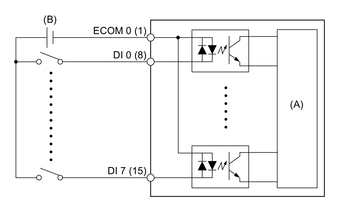
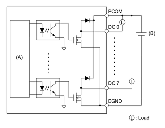
Ejemplo de la conexión con el dispositivo externo
Cableado de la unidad terminal
-
Si los extremos de los alambres individuales no están trenzados correctamente, pueden producir un cortocircuito.
-
Se recomienda usar un terminal de pines con una manga aisladora para evitar el posibilidad de un cortocircuito en el terminal.
-
Utilice alambre de cobre clasificado para 75 °C (167 °F) o superior.
Introduzca cada uno de los hilos del cable de alimentación en el agujero correspondiente y ajuste los tornillos para sujetar el cable en su lugar.

-
Cable
-
Destornillador
Instalación en el riel DIN
Enganche la ranura superior de la unidad en el riel DIN, luego empuje la parte inferior en el riel hasta oír un «clic».
-
Use el riel DIN compatible con IEC 60715 TH35-7.5 para la unidad terminal.
-
En los entornos donde esta unidad terminal experimentará choques y vibraciones extremas, coloque esta unidad terminal al riel DIN con sujetadores compatibles, según sea necesario.







