16DI/8DO
En utilisant cette interface d'E/S numériques, vous pouvez contrôler les E/S externes. Fixez l'unité d'interface à ce produit et utilisez également le câble inclus pour connecter le bornier sur rail DIN 16DI/8DO. Le bornier est conçu pour être monté sur le rail DIN.
-
Lorsque l'interface 16DI/8DO est installée sur le produit, le produit ne se conforme pas à l'homologation UL.
-
L'API et l'exemple d'utilitaire (y compris le code source) sont publiés sur notre site Web. Pour le fichier à télécharger, consultez API.
Contenu de l'emballage

-
Interface 16DI/8DO
-
Câble de connexion (2 m)
-
Bornier
Caractéristiques
| Référence du produit | PFXYP6MPX16Y8 | |
|
Connecteur |
D-Sub 15 broches (fiche) x 2 |
|
|
Consommation d’énergie (max.) |
1,4 W |
|
|
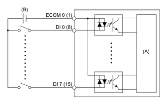
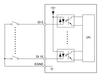
Entrée numérique |
Canaux |
16 |
|
Tension d'entrée |
Contact humide Logique 0 : 0…3 Vcc, Logique 1 : 10…30 Vcc Contact sec Logique 0 : Ouvert, Logique 1 : GND |
|
|
Courant d'entrée |
0,5 mA (10 Vcc) … 9 mA (30 Vcc) |
|
|
Protection de survoltage |
70 Vcc |
|
|
Tension d'isolement |
1 250 Vca |
|
|
Temps de réponse |
Typique : 50 μs (max. : 65 μs) |
|
|
Alimentation interne pour contact sec |
12 Vcc (max. : 2,3 mA/ch) |
|
|
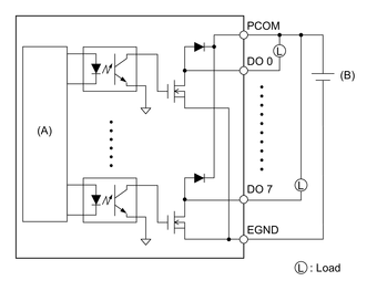
Sortie numérique |
Canaux |
8 |
|
Type de sortie |
MOS FET |
|
|
Tension de sortie |
5...30 Vcc |
|
|
Courant dissipé (max.) |
100 mA/ch |
|
|
Tension d'isolement |
1 250 Vca |
|
|
Temps de réponse |
Typique : 50 μs (max.: 65 μs) |
|
|
Compteur |
Canaux |
2 |
|
Résolution |
32 bits |
|
|
Fréquence d'entrée (max.) |
Lorsque la fonction anti-rebond est désactivée : 10 kHz |
|
Affectation de broches
Connecteur 1
|
Broche n° |
Nom du signal |
Sens |
Description |
|---|---|---|---|
|
1 |
DI0/CNT0 |
Entrée |
Entrée numérique ch0/Entrée compteur ch0 |
|
2 |
DI1 |
Entrée |
Entrée numérique ch1 |
|
3 |
DI2 |
Entrée |
Entrée numérique ch2 |
|
4 |
DI3 |
Entrée |
Entrée numérique ch3 |
|
5 |
DI4/CNT1 |
Entrée |
Entrée numérique ch4/Entrée compteur ch1 |
|
6 |
DI5 |
Entrée |
Entrée numérique ch5 |
|
7 |
DI6 |
Entrée |
Entrée numérique ch6 |
|
8 |
DI7 |
Entrée |
Entrée numérique ch7 |
|
9 |
ECOM0 |
- |
Commun externe pour DI (ch0...7) |
|
10 |
EGND |
- |
Terre externe |
|
11 |
DO0 |
Sortie |
Sortie numérique ch0 |
|
12 |
DO1 |
Sortie |
Sortie numérique ch1 |
|
13 |
DO2 |
Sortie |
Sortie numérique ch2 |
|
14 |
DO3 |
Sortie |
Sortie numérique ch3 |
|
15 |
PCOM |
- |
Diode commune de roue libre pour DO |
|
Boîtier |
FG |
- |
Frame ground (masse du châssis) |
Connecteur 2
|
Broche n° |
Nom du signal |
Sens |
Description |
|---|---|---|---|
|
1 |
DI8 |
Entrée |
Entrée numérique ch8 |
|
2 |
DI9 |
Entrée |
Entrée numérique ch9 |
|
3 |
DI10 |
Entrée |
Entrée numérique ch10 |
|
4 |
DI11 |
Entrée |
Entrée numérique ch11 |
|
5 |
DI12 |
Entrée |
Entrée numérique ch12 |
|
6 |
DI13 |
Entrée |
Entrée numérique ch13 |
|
7 |
DI14 |
Entrée |
Entrée numérique ch14 |
|
8 |
DI15 |
Entrée |
Entrée numérique ch15 |
|
9 |
ECOM1 |
- |
Commun externe pour DI (ch8...15) |
|
10 |
EGND |
- |
Terre externe |
|
11 |
DO4 |
Sortie |
Sortie numérique ch4 |
|
12 |
DO5 |
Sortie |
Sortie numérique ch5 |
|
13 |
DO6 |
Sortie |
Sortie numérique ch6 |
|
14 |
DO7 |
Sortie |
Sortie numérique ch7 |
|
15 |
PCOM |
- |
Diode commune de roue libre pour DO |
|
Boîtier |
FG |
- |
Frame ground (masse du châssis) |
La vis jack recommandée est nº 4-40 (UNC).
|
Broche n° |
Nom du signal |
Sens |
Description |
|---|---|---|---|
|
1 |
DI0/CNT0 |
Entrée |
Entrée numérique ch0/Entrée compteur ch0 |
|
2 |
DI2 |
Entrée |
Entrée numérique ch2 |
|
3 |
DI4/CNT1 |
Entrée |
Entrée numérique ch4/Entrée compteur ch1 |
|
4 |
DI6 |
Entrée |
Entrée numérique ch6 |
|
5 |
DI8 |
Entrée |
Entrée numérique ch8 |
|
6 |
DI10 |
Entrée |
Entrée numérique ch10 |
|
7 |
DI12 |
Entrée |
Entrée numérique ch12 |
|
8 |
DI14 |
Entrée |
Entrée numérique ch14 |
|
9 |
ECOM0 |
- |
Commun externe pour DI (ch0...7) |
|
10 |
PCOM |
- |
Diode commune de roue libre pour DO |
|
11 |
DO0 |
Sortie |
Sortie numérique ch0 |
|
12 |
DO2 |
Sortie |
Sortie numérique ch2 |
|
13 |
DO4 |
Sortie |
Sortie numérique ch4 |
|
14 |
DO6 |
Sortie |
Sortie numérique ch6 |
|
15…19 |
NC |
- |
Aucune connexion |
|
20 |
DI1 |
Entrée |
Entrée numérique ch1 |
|
21 |
DI3 |
Entrée |
Entrée numérique ch3 |
|
22 |
DI5 |
Entrée |
Entrée numérique ch5 |
|
23 |
DI7 |
Entrée |
Entrée numérique ch7 |
|
24 |
DI9 |
Entrée |
Entrée numérique ch9 |
|
25 |
DI11 |
Entrée |
Entrée numérique ch11 |
|
26 |
DI13 |
Entrée |
Entrée numérique ch13 |
|
27 |
DI15 |
Entrée |
Entrée numérique ch15 |
|
28 |
ECOM1 |
- |
Commun externe pour DI (ch8...15) |
|
29 |
EGND |
- |
Terre externe |
|
30 |
DO1 |
Sortie |
Sortie numérique ch1 |
|
31 |
DO3 |
Sortie |
Sortie numérique ch3 |
|
32 |
DO5 |
Sortie |
Sortie numérique ch5 |
|
33 |
DO7 |
Sortie |
Sortie numérique ch7 |
|
34…37 |
NC |
- |
Aucune connexion |
|
Boîtier |
FG |
- |
Frame ground (masse du châssis) |
La vis jack recommandée est nº 4-40 (UNC).
|
Broche n° |
Nom du signal |
Sens |
Description |
|---|---|---|---|
|
1 |
DI0/CNT0 |
Entrée |
Entrée numérique ch0/Entrée compteur ch0 |
|
2 |
DI2 |
Entrée |
Entrée numérique ch2 |
|
3 |
DI4/CNT1 |
Entrée |
Entrée numérique ch4/Entrée compteur ch1 |
|
4 |
DI6 |
Entrée |
Entrée numérique ch6 |
|
5 |
DI8 |
Entrée |
Entrée numérique ch8 |
|
6 |
DI10 |
Entrée |
Entrée numérique ch10 |
|
7 |
DI12 |
Entrée |
Entrée numérique ch12 |
|
8 |
DI14 |
Entrée |
Entrée numérique ch14 |
|
9 |
ECOM0 |
- |
Commun externe pour DI (ch0...7) |
|
10 |
PCOM |
- |
Diode commune de roue libre pour DO |
|
11 |
DO0 |
Sortie |
Sortie numérique ch0 |
|
12 |
DO2 |
Sortie |
Sortie numérique ch2 |
|
13 |
DO4 |
Sortie |
Sortie numérique ch4 |
|
14 |
DO6 |
Sortie |
Sortie numérique ch6 |
|
15…19 |
NC |
- |
Aucune connexion |
|
20 |
DI1 |
Entrée |
Entrée numérique ch1 |
|
21 |
DI3 |
Entrée |
Entrée numérique ch3 |
|
22 |
DI5 |
Entrée |
Entrée numérique ch5 |
|
23 |
DI7 |
Entrée |
Entrée numérique ch7 |
|
24 |
DI9 |
Entrée |
Entrée numérique ch9 |
|
25 |
DI11 |
Entrée |
Entrée numérique ch11 |
|
26 |
DI13 |
Entrée |
Entrée numérique ch13 |
|
27 |
DI15 |
Entrée |
Entrée numérique ch15 |
|
28 |
ECOM1 |
- |
Commun externe pour DI (ch8...15) |
|
29 |
EGND |
- |
Terre externe |
|
30 |
DO1 |
Sortie |
Sortie numérique ch1 |
|
31 |
DO3 |
Sortie |
Sortie numérique ch3 |
|
32 |
DO5 |
Sortie |
Sortie numérique ch5 |
|
33 |
DO7 |
Sortie |
Sortie numérique ch7 |
|
34…37 |
NC |
- |
Aucune connexion |
|
38 |
FG |
- |
Frame ground (masse du châssis) |
Exemple de connexion avec un appareil externe
Câblage du bornier
-
Si les extrémités de chaque fil ne sont pas torsadées correctement, les fils peuvent créer un court circuit.
-
Il est recommandé d'utiliser une borne à broches avec un manchon isolant pour éviter la possibilité d'un court-circuit sur la borne.
-
Utilisez un fil de cuivre classé pour une température de 75 °C (167 °F) ou supérieure.
Insérez chaque fil de cordon dans son trou correspondant et fixez les vis pour serrer le fil en place.

-
Cordon
-
Tournevis
Installation sur un rail DIN
Accrochez la rainure supérieure de l'unité sur le rail DIN, puis poussez la partie inférieure sur le rail jusqu'à ce que vous entendiez un clic.
-
Utilisez le rail DIN compatible avec IEC 60715 TH35-7.5 pour le bornier.
-
Dans les environnements où ce bornier subira des vibrations et des chocs extrêmes, fixez ce bornierau rail DIN avec des attaches compatibles, si nécessaire.








