16DI/8DO
By using this digital I/O interface, you can control external I/O. Attach the interface unit to this product, and also use the cable included to connect to 16DI/8DO DIN rail terminal unit. The terminal unit is designed for mounting on the DIN rail.
-
When this 16DI/8DO interface is installed on the product, it does not comply with the UL certification.
-
The API and sample utility (including source code) are published on our website. For the file to download, refer to API.
Package Contents

-
16DI/8DO interface
-
Connection cable (2 m)
-
Terminal unit
Specifications
| Product number | PFXYP6MPX16Y8 | |
|
Connector |
D-Sub 15 pin (socket) x 2 |
|
|
Power consumption (max.) |
1.4 W |
|
|
Digital input |
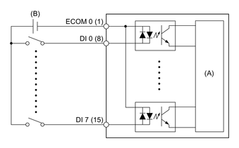
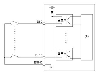
Channels |
16 |
|
Input voltage |
Wet contact Logic 0: 0…3 Vdc, Logic 1: 10…30 Vdc Dry contact Logic 0: Open, Logic 1: GND |
|
|
Input current |
0.5 mA (10 Vdc) … 9 mA (30 Vdc) |
|
|
Over voltage protection |
70 Vdc |
|
|
Isolation voltage |
1,250 Vac |
|
|
Response time |
Typical: 50 μs (max.: 65 μs) |
|
|
Internal power supply for dry contact |
12 Vdc (max.: 2.3 mA/ch) |
|
|
Digital output |
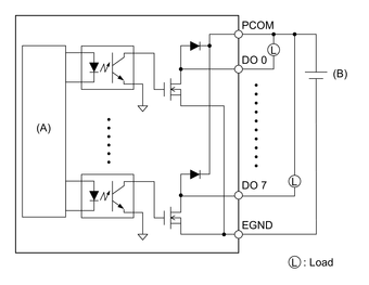
Channels |
8 |
|
Output type |
MOS FET |
|
|
Output voltage |
5…30 Vdc |
|
|
Sink current (max.) |
100 mA/ch |
|
|
Isolation voltage |
1,250 Vac |
|
|
Response time |
Typical: 50 μs (max.: 65 μs) |
|
|
Counter |
Channels |
2 |
|
Resolution |
32 bit |
|
|
Input frequency (max.) |
When the de-bounce function is disabled: 10 kHz |
|
Pin Assignment
Connector 1
|
Pin No. |
Signal name |
Direction |
Description |
|---|---|---|---|
|
1 |
DI0/CNT0 |
Input |
Digital input ch0/Counter input ch0 |
|
2 |
DI1 |
Input |
Digital input ch1 |
|
3 |
DI2 |
Input |
Digital input ch2 |
|
4 |
DI3 |
Input |
Digital input ch3 |
|
5 |
DI4/CNT1 |
Input |
Digital input ch4/Counter input ch1 |
|
6 |
DI5 |
Input |
Digital input ch5 |
|
7 |
DI6 |
Input |
Digital input ch6 |
|
8 |
DI7 |
Input |
Digital input ch7 |
|
9 |
ECOM0 |
- |
External common of DI (ch0...7) |
|
10 |
EGND |
- |
External ground |
|
11 |
DO0 |
Output |
Digital output ch0 |
|
12 |
DO1 |
Output |
Digital output ch1 |
|
13 |
DO2 |
Output |
Digital output ch2 |
|
14 |
DO3 |
Output |
Digital output ch3 |
|
15 |
PCOM |
- |
Freewheeling common diode for DO |
|
Shell |
FG |
- |
Frame ground |
Connector 2
|
Pin No. |
Signal name |
Direction |
Description |
|---|---|---|---|
|
1 |
DI8 |
Input |
Digital input ch8 |
|
2 |
DI9 |
Input |
Digital input ch9 |
|
3 |
DI10 |
Input |
Digital input ch10 |
|
4 |
DI11 |
Input |
Digital input ch11 |
|
5 |
DI12 |
Input |
Digital input ch12 |
|
6 |
DI13 |
Input |
Digital input ch13 |
|
7 |
DI14 |
Input |
Digital input ch14 |
|
8 |
DI15 |
Input |
Digital input ch15 |
|
9 |
ECOM1 |
- |
External common of DI (ch8...15) |
|
10 |
EGND |
- |
External ground |
|
11 |
DO4 |
Output |
Digital output ch4 |
|
12 |
DO5 |
Output |
Digital output ch5 |
|
13 |
DO6 |
Output |
Digital output ch6 |
|
14 |
DO7 |
Output |
Digital output ch7 |
|
15 |
PCOM |
- |
Freewheeling common diode for DO |
|
Shell |
FG |
- |
Frame ground |
Recommended jack screw is #4-40 (UNC).
|
Pin No. |
Signal name |
Direction |
Description |
|---|---|---|---|
|
1 |
DI0/CNT0 |
Input |
Digital input ch0/Counter input ch0 |
|
2 |
DI2 |
Input |
Digital input ch2 |
|
3 |
DI4/CNT1 |
Input |
Digital input ch4/Counter input ch1 |
|
4 |
DI6 |
Input |
Digital input ch6 |
|
5 |
DI8 |
Input |
Digital input ch8 |
|
6 |
DI10 |
Input |
Digital input ch10 |
|
7 |
DI12 |
Input |
Digital input ch12 |
|
8 |
DI14 |
Input |
Digital input ch14 |
|
9 |
ECOM0 |
- |
External common of DI (ch0...7) |
|
10 |
PCOM |
- |
Freewheeling common diode for DO |
|
11 |
DO0 |
Output |
Digital output ch0 |
|
12 |
DO2 |
Output |
Digital output ch2 |
|
13 |
DO4 |
Output |
Digital output ch4 |
|
14 |
DO6 |
Output |
Digital output ch6 |
|
15…19 |
NC |
- |
No connection |
|
20 |
DI1 |
Input |
Digital input ch1 |
|
21 |
DI3 |
Input |
Digital input ch3 |
|
22 |
DI5 |
Input |
Digital input ch5 |
|
23 |
DI7 |
Input |
Digital input ch7 |
|
24 |
DI9 |
Input |
Digital input ch9 |
|
25 |
DI11 |
Input |
Digital input ch11 |
|
26 |
DI13 |
Input |
Digital input ch13 |
|
27 |
DI15 |
Input |
Digital input ch15 |
|
28 |
ECOM1 |
- |
External common of DI (ch8...15) |
|
29 |
EGND |
- |
External ground |
|
30 |
DO1 |
Output |
Digital output ch1 |
|
31 |
DO3 |
Output |
Digital output ch3 |
|
32 |
DO5 |
Output |
Digital output ch5 |
|
33 |
DO7 |
Output |
Digital output ch7 |
|
34…37 |
NC |
- |
No connection |
|
Shell |
FG |
- |
Frame ground |
Recommended jack screw is #4-40 (UNC).
|
Pin No. |
Signal name |
Direction |
Description |
|---|---|---|---|
|
1 |
DI0/CNT0 |
Input |
Digital input ch0/Counter input ch0 |
|
2 |
DI2 |
Input |
Digital input ch2 |
|
3 |
DI4/CNT1 |
Input |
Digital input ch4/Counter input ch1 |
|
4 |
DI6 |
Input |
Digital input ch6 |
|
5 |
DI8 |
Input |
Digital input ch8 |
|
6 |
DI10 |
Input |
Digital input ch10 |
|
7 |
DI12 |
Input |
Digital input ch12 |
|
8 |
DI14 |
Input |
Digital input ch14 |
|
9 |
ECOM0 |
- |
External common of DI (ch0...7) |
|
10 |
PCOM |
- |
Freewheeling common diode for DO |
|
11 |
DO0 |
Output |
Digital output ch0 |
|
12 |
DO2 |
Output |
Digital output ch2 |
|
13 |
DO4 |
Output |
Digital output ch4 |
|
14 |
DO6 |
Output |
Digital output ch6 |
|
15…19 |
NC |
- |
No connection |
|
20 |
DI1 |
Input |
Digital input ch1 |
|
21 |
DI3 |
Input |
Digital input ch3 |
|
22 |
DI5 |
Input |
Digital input ch5 |
|
23 |
DI7 |
Input |
Digital input ch7 |
|
24 |
DI9 |
Input |
Digital input ch9 |
|
25 |
DI11 |
Input |
Digital input ch11 |
|
26 |
DI13 |
Input |
Digital input ch13 |
|
27 |
DI15 |
Input |
Digital input ch15 |
|
28 |
ECOM1 |
- |
External common of DI (ch8...15) |
|
29 |
EGND |
- |
External ground |
|
30 |
DO1 |
Output |
Digital output ch1 |
|
31 |
DO3 |
Output |
Digital output ch3 |
|
32 |
DO5 |
Output |
Digital output ch5 |
|
33 |
DO7 |
Output |
Digital output ch7 |
|
34…37 |
NC |
- |
No connection |
|
38 |
FG |
- |
Frame ground |
Example Connection with External Device
Wiring of Terminal Unit
-
If the ends of the individual wires are not twisted correctly, the wires may create a short circuit.
-
Using a pin terminal with an insulating sleeve is recommended to prevent the possibility of a terminal short circuit.
-
Use copper wire rated for 75 °C (167 °F) or higher.
Insert each cord wire into its corresponding hole and fasten the screws to clamp the wire in place.

-
Cord
-
Screwdriver
Installing to DIN Rail
Hook the upper groove of the unit onto the DIN rail, then push the bottom part onto the rail until you hear a click.
-
Use the DIN rail compatible with IEC 60715 TH35-7.5 for the terminal unit.
-
In environments where this terminal unit will experience extreme vibration and shock, affix this terminal unit to the DIN rail with compatible fasteners, as required.








