16DI/8DO
Mit dieser digitalen E/A-Schnittstelle können Sie externe E/A steuern. Schließen Sie die Schnittstelleneinheit an dieses Produkt an, und verwenden Sie das mitgelieferte Kabel auch zum Anschluss an die 16DI/8DO-DIN-Schienenanschlusseinheit. Die Anschlusseinheit ist für die Montage auf der DIN-Schiene vorgesehen.
-
Wenn diese 16DI/8DO-Schnittstelle an das Produkt angeschlossen ist, entspricht sie nicht der UL-Zertifizierung.
-
Die API und das Beispieldienstprogramm (einschließlich Quellcode) sind auf unserer Website veröffentlicht. Informationen zum Download erhalten Sie unter API.
Lieferumfang

-
16DI/8DO-Schnittstelle
-
Anschlusskabel (2 m)
-
Anschlusseinheit
Kenndaten
| Produktnummer | PFXYP6MPX16Y8 | |
|
Stecker |
D-Sub, 15-polig (Buchse) x 2 |
|
|
Stromaufnahme (max.) |
1,4 W |
|
|
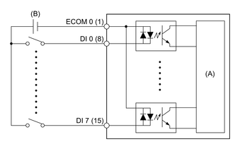
Digitaler Eingang |
Kanäle |
16 |
|
Eingangsspannung |
„Wet
Contact“ (spannungsgesteuert) Logisch 0: 0…3 Vdc, Logisch 1: 10…30 Vdc „Dry Contact“ (zustandsgesteuert) Logisch 0: offen, Logisch 1: GND |
|
|
Eingangsstrom |
0,5 mA (10 Vdc) … 9 mA (30 Vdc) |
|
|
Überspannungsschutz |
70 Vdc |
|
|
Isolationsspannung |
1.250 Vac |
|
|
Reaktionszeit |
Typisch: 50 μs (max.: 65 μs) |
|
|
Interne Stromversorgung für „Dry Contact“ |
12 Vdc (max.: 2,3 mA/ch) |
|
|
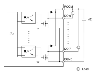
Digitaler Ausgang |
Kanäle |
8 |
|
Ausgangstyp |
MOS FET |
|
|
Ausgangsspannung |
5...30 Vdc |
|
|
Sinkstrom (max.) |
100 mA/Kanal |
|
|
Isolationsspannung |
1.250 Vac |
|
|
Reaktionszeit |
Typisch: 50 μs (max.: 65 μs) |
|
|
Zähler |
Kanäle |
2 |
|
Auflösung |
32 Bit |
|
|
Eingangsfrequenz (max.) |
Wenn die Entprellfunktion deaktiviert ist: 10
kHz |
|
Pin-Belegung
Stecker 1
|
Pin-Nr. |
Signalbezeichnung |
Richtung |
Beschreibung |
|---|---|---|---|
|
1 |
DI0/CNT0 |
Eingang |
Digitaler Eingang ch0/Zählereingang ch0 |
|
2 |
DI1 |
Eingang |
Digitaler Eingang ch1 |
|
3 |
DI2 |
Eingang |
Digitaler Eingang ch2 |
|
4 |
DI3 |
Eingang |
Digitaler Eingang ch3 |
|
5 |
DI4/CNT1 |
Eingang |
Digitaler Eingang ch4/Zählereingang ch1 |
|
6 |
DI5 |
Eingang |
Digitaler Eingang ch5 |
|
7 |
DI6 |
Eingang |
Digitaler Eingang ch6 |
|
8 |
DI7 |
Eingang |
Digitaler Eingang ch7 |
|
9 |
ECOM0 |
- |
Externe gemeinsame Leitung von DI (ch0...7) |
|
10 |
EGND |
- |
Externe Erde |
|
11 |
DO0 |
Ausgang |
Digitaler Ausgang ch0 |
|
12 |
DO1 |
Ausgang |
Digitaler Ausgang ch1 |
|
13 |
DO2 |
Ausgang |
Digitaler Ausgang ch2 |
|
14 |
DO3 |
Ausgang |
Digitaler Ausgang ch3 |
|
15 |
PCOM |
- |
Gemeinsame Freilaufdiode für DO |
|
Gehäuse |
Gehäuseerde |
- |
Gehäusemasse |
Stecker 2
|
Pin-Nr. |
Signalbezeichnung |
Richtung |
Beschreibung |
|---|---|---|---|
|
1 |
DI8 |
Eingang |
Digitaler Eingang ch8 |
|
2 |
DI9 |
Eingang |
Digitaler Eingang ch9 |
|
3 |
DI10 |
Eingang |
Digitaler Eingang ch10 |
|
4 |
DI11 |
Eingang |
Digitaler Eingang ch11 |
|
5 |
DI12 |
Eingang |
Digitaler Eingang ch12 |
|
6 |
DI13 |
Eingang |
Digitaler Eingang ch13 |
|
7 |
DI14 |
Eingang |
Digitaler Eingang ch14 |
|
8 |
DI15 |
Eingang |
Digitaler Eingang ch15 |
|
9 |
ECOM1 |
- |
Externe gemeinsame Leitung von DI (ch8...15) |
|
10 |
EGND |
- |
Externe Erde |
|
11 |
DO4 |
Ausgang |
Digitaler Ausgang ch4 |
|
12 |
DO5 |
Ausgang |
Digitaler Ausgang ch5 |
|
13 |
DO6 |
Ausgang |
Digitaler Ausgang ch6 |
|
14 |
DO7 |
Ausgang |
Digitaler Ausgang ch7 |
|
15 |
PCOM |
- |
Gemeinsame Freilaufdiode für DO |
|
Gehäuse |
Gehäuseerde |
- |
Gehäusemasse |
Empfohlene Schraubspindel: #4-40 (UNC).
|
Pin-Nr. |
Signalbezeichnung |
Richtung |
Beschreibung |
|---|---|---|---|
|
1 |
DI0/CNT0 |
Eingang |
Digitaler Eingang ch0/Zählereingang ch0 |
|
2 |
DI2 |
Eingang |
Digitaler Eingang ch2 |
|
3 |
DI4/CNT1 |
Eingang |
Digitaler Eingang ch4/Zählereingang ch1 |
|
4 |
DI6 |
Eingang |
Digitaler Eingang ch6 |
|
5 |
DI8 |
Eingang |
Digitaler Eingang ch8 |
|
6 |
DI10 |
Eingang |
Digitaler Eingang ch10 |
|
7 |
DI12 |
Eingang |
Digitaler Eingang ch12 |
|
8 |
DI14 |
Eingang |
Digitaler Eingang ch14 |
|
9 |
ECOM0 |
- |
Externe gemeinsame Leitung von DI (ch0...7) |
|
10 |
PCOM |
- |
Gemeinsame Freilaufdiode für DO |
|
11 |
DO0 |
Ausgang |
Digitaler Ausgang ch0 |
|
12 |
DO2 |
Ausgang |
Digitaler Ausgang ch2 |
|
13 |
DO4 |
Ausgang |
Digitaler Ausgang ch4 |
|
14 |
DO6 |
Ausgang |
Digitaler Ausgang ch6 |
|
15...19 |
NC |
- |
Keine Verbindung |
|
20 |
DI1 |
Eingang |
Digitaler Eingang ch1 |
|
21 |
DI3 |
Eingang |
Digitaler Eingang ch3 |
|
22 |
DI5 |
Eingang |
Digitaler Eingang ch5 |
|
23 |
DI7 |
Eingang |
Digitaler Eingang ch7 |
|
24 |
DI9 |
Eingang |
Digitaler Eingang ch9 |
|
25 |
DI11 |
Eingang |
Digitaler Eingang ch11 |
|
26 |
DI13 |
Eingang |
Digitaler Eingang ch13 |
|
27 |
DI15 |
Eingang |
Digitaler Eingang ch15 |
|
28 |
ECOM1 |
- |
Externe gemeinsame Leitung von DI (ch8...15) |
|
29 |
EGND |
- |
Externe Erde |
|
30 |
DO1 |
Ausgang |
Digitaler Ausgang ch1 |
|
31 |
DO3 |
Ausgang |
Digitaler Ausgang ch3 |
|
32 |
DO5 |
Ausgang |
Digitaler Ausgang ch5 |
|
33 |
DO7 |
Ausgang |
Digitaler Ausgang ch7 |
|
34...37 |
NC |
- |
Keine Verbindung |
|
Gehäuse |
Gehäuseerde |
- |
Gehäusemasse |
Empfohlene Schraubspindel: #4-40 (UNC).
|
Pin-Nr. |
Signalbezeichnung |
Richtung |
Beschreibung |
|---|---|---|---|
|
1 |
DI0/CNT0 |
Eingang |
Digitaler Eingang ch0/Zählereingang ch0 |
|
2 |
DI2 |
Eingang |
Digitaler Eingang ch2 |
|
3 |
DI4/CNT1 |
Eingang |
Digitaler Eingang ch4/Zählereingang ch1 |
|
4 |
DI6 |
Eingang |
Digitaler Eingang ch6 |
|
5 |
DI8 |
Eingang |
Digitaler Eingang ch8 |
|
6 |
DI10 |
Eingang |
Digitaler Eingang ch10 |
|
7 |
DI12 |
Eingang |
Digitaler Eingang ch12 |
|
8 |
DI14 |
Eingang |
Digitaler Eingang ch14 |
|
9 |
ECOM0 |
- |
Externe gemeinsame Leitung von DI (ch0...7) |
|
10 |
PCOM |
- |
Gemeinsame Freilaufdiode für DO |
|
11 |
DO0 |
Ausgang |
Digitaler Ausgang ch0 |
|
12 |
DO2 |
Ausgang |
Digitaler Ausgang ch2 |
|
13 |
DO4 |
Ausgang |
Digitaler Ausgang ch4 |
|
14 |
DO6 |
Ausgang |
Digitaler Ausgang ch6 |
|
15...19 |
NC |
- |
Keine Verbindung |
|
20 |
DI1 |
Eingang |
Digitaler Eingang ch1 |
|
21 |
DI3 |
Eingang |
Digitaler Eingang ch3 |
|
22 |
DI5 |
Eingang |
Digitaler Eingang ch5 |
|
23 |
DI7 |
Eingang |
Digitaler Eingang ch7 |
|
24 |
DI9 |
Eingang |
Digitaler Eingang ch9 |
|
25 |
DI11 |
Eingang |
Digitaler Eingang ch11 |
|
26 |
DI13 |
Eingang |
Digitaler Eingang ch13 |
|
27 |
DI15 |
Eingang |
Digitaler Eingang ch15 |
|
28 |
ECOM1 |
- |
Externe gemeinsame Leitung von DI (ch8...15) |
|
29 |
EGND |
- |
Externe Erde |
|
30 |
DO1 |
Ausgang |
Digitaler Ausgang ch1 |
|
31 |
DO3 |
Ausgang |
Digitaler Ausgang ch3 |
|
32 |
DO5 |
Ausgang |
Digitaler Ausgang ch5 |
|
33 |
DO7 |
Ausgang |
Digitaler Ausgang ch7 |
|
34...37 |
NC |
- |
Keine Verbindung |
|
38 |
Gehäuseerde |
- |
Gehäusemasse |
Beispiel für eine Verbindung mit einem externen Gerät
Verkabelung der Anschlusseinheit
-
Sind die Enden der einzelnen Drähte nicht korrekt verdrillt, können die Drähte einen Kurzschluss hervorrufen.
-
Die Verwendung einer Stiftklemme mit einer Isolierhülse wird empfohlen, um die Möglichkeit eines Klemmenkurzschlusses zu vermeiden.
-
Verwenden Sie einen Kupferdraht für min. 75 °C (167 °F).
Führen Sie jeden Kabeldraht in das entsprechende Loch ein, und ziehen Sie die Schrauben fest, um den Draht festzuklemmen.

-
Draht
-
Schraubendreher
Montage auf DIN-Schiene
Haken Sie die obere Nut des Geräts in die DIN-Schiene ein, und drücken Sie den unteren Teil auf die Schiene, bis Sie ein Klicken hören.
-
Verwenden Sie für die Anschlusseinheit die DIN-Schiene, die mit IEC 60715 TH35-7.5 kompatibel ist.
-
In Umgebungen, in denen diese Anschlusseinheit extremen Vibrationen und Stößen ausgesetzt ist, befestigen Sie diese Klemmeneinheit bei Bedarf mit kompatiblen Befestigungselementen an der DIN-Schiene.








