16DI/8DO
通过使用此数字 I/O 接口,您可以控制外部 I/O。将接口单元连接到本产品,并使用随附的电缆连接到 16DI/8DO DIN 导轨终端设备。该终端设备设计为安装在 DIN 导轨上。
-
当此 16DI/8DO 接口安装在产品上时,它不符合 UL 认证。
-
API 和示例实用程序 (包括源代码) 已发布在我们的网站上。有关要下载的文件,请参阅 API。
装箱物品

-
16DI/8DO 接口
-
连接电缆 (2 m)
-
终端设备
规格
| 产品编号 | PFXYP6MPX16Y8 | |
|
连接器 |
D-Sub 15 针 (插座) x 2 |
|
|
功耗(最大) |
1.4 W |
|
|
数字输入 |
通道 |
16 |
|
输入电压 |
湿触点 逻辑 0: 0…3 Vdc, 逻辑 1: 10…30 Vdc 干触点 逻辑 0: 开路, 逻辑 1: GND |
|
|
输入电流 |
0.5 mA (10 Vdc) … 9 mA (30 Vdc) |
|
|
过电压保护 |
70 Vdc |
|
|
隔离电压 |
1,250 Vac |
|
|
响应时间 |
典型: 50 μs (最大: 65 μs) |
|
|
用于干触点的内部电源 |
12 Vdc (最大: 2.3 mA/ch) |
|
|
数字输出 |
通道 |
8 |
|
输出类型 |
MOS FET |
|
|
输出电压 |
5...30 Vdc |
|
|
吸收电流 (最大) |
100 mA/ch |
|
|
隔离电压 |
1,250 Vac |
|
|
响应时间 |
典型: 50 μs (最大: 65 μs) |
|
|
计数器 |
通道 |
2 |
|
分辨率 |
32 位 |
|
|
输入频率 (最大) |
禁用反跳功能时: 10 kHz |
|
针脚分配
连接器 1
|
插脚号 |
信号名称 |
方向 |
说明 |
|---|---|---|---|
|
1 |
DI0/CNT0 |
输入 |
数字输入 ch0/计数器输入 ch0 |
|
2 |
DI1 |
输入 |
数字输入 ch1 |
|
3 |
DI2 |
输入 |
数字输入 ch2 |
|
4 |
DI3 |
输入 |
数字输入 ch3 |
|
5 |
DI4/CNT1 |
输入 |
数字输入 ch4/计数器输入 ch1 |
|
6 |
DI5 |
输入 |
数字输入 ch5 |
|
7 |
DI6 |
输入 |
数字输入 ch6 |
|
8 |
DI7 |
输入 |
数字输入 ch7 |
|
9 |
ECOM0 |
- |
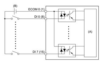
DI 的外部公共端 (ch0...7) |
|
10 |
EGND |
- |
外部接地 |
|
11 |
DO0 |
输出 |
数字输出 ch0 |
|
12 |
DO1 |
输出 |
数字输出 ch1 |
|
13 |
DO2 |
输出 |
数字输出 ch2 |
|
14 |
DO3 |
输出 |
数字输出 ch3 |
|
15 |
PCOM |
- |
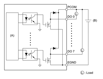
用于 DO 的续流通用二极管 |
|
外壳 |
FG |
- |
机壳接地 |
连接器 2
|
插脚号 |
信号名称 |
方向 |
说明 |
|---|---|---|---|
|
1 |
DI8 |
输入 |
数字输入 ch8 |
|
2 |
DI9 |
输入 |
数字输入 ch9 |
|
3 |
DI10 |
输入 |
数字输入 ch10 |
|
4 |
DI11 |
输入 |
数字输入 ch11 |
|
5 |
DI12 |
输入 |
数字输入 ch12 |
|
6 |
DI13 |
输入 |
数字输入 ch13 |
|
7 |
DI14 |
输入 |
数字输入 ch14 |
|
8 |
DI15 |
输入 |
数字输入 ch15 |
|
9 |
ECOM1 |
- |
DI 的外部公共端 (ch8...15) |
|
10 |
EGND |
- |
外部接地 |
|
11 |
DO4 |
输出 |
数字输出 ch4 |
|
12 |
DO5 |
输出 |
数字输出 ch5 |
|
13 |
DO6 |
输出 |
数字输出 ch6 |
|
14 |
DO7 |
输出 |
数字输出 ch7 |
|
15 |
PCOM |
- |
用于 DO 的续流通用二极管 |
|
外壳 |
FG |
- |
机壳接地 |
推荐的带起重螺钉为#4-40 (UNC)。
|
插脚号 |
信号名称 |
方向 |
说明 |
|---|---|---|---|
|
1 |
DI0/CNT0 |
输入 |
数字输入 ch0/计数器输入 ch0 |
|
2 |
DI2 |
输入 |
数字输入 ch2 |
|
3 |
DI4/CNT1 |
输入 |
数字输入 ch4/计数器输入 ch1 |
|
4 |
DI6 |
输入 |
数字输入 ch6 |
|
5 |
DI8 |
输入 |
数字输入 ch8 |
|
6 |
DI10 |
输入 |
数字输入 ch10 |
|
7 |
DI12 |
输入 |
数字输入 ch12 |
|
8 |
DI14 |
输入 |
数字输入 ch14 |
|
9 |
ECOM0 |
- |
DI 的外部公共端 (ch0...7) |
|
10 |
PCOM |
- |
用于 DO 的续流通用二极管 |
|
11 |
DO0 |
输出 |
数字输出 ch0 |
|
12 |
DO2 |
输出 |
数字输出 ch2 |
|
13 |
DO4 |
输出 |
数字输出 ch4 |
|
14 |
DO6 |
输出 |
数字输出 ch6 |
|
15...19 |
NC |
- |
无连接 |
|
20 |
DI1 |
输入 |
数字输入 ch1 |
|
21 |
DI3 |
输入 |
数字输入 ch3 |
|
22 |
DI5 |
输入 |
数字输入 ch5 |
|
23 |
DI7 |
输入 |
数字输入 ch7 |
|
24 |
DI9 |
输入 |
数字输入 ch9 |
|
25 |
DI11 |
输入 |
数字输入 ch11 |
|
26 |
DI13 |
输入 |
数字输入 ch13 |
|
27 |
DI15 |
输入 |
数字输入 ch15 |
|
28 |
ECOM1 |
- |
DI 的外部公共端 (ch8...15) |
|
29 |
EGND |
- |
外部接地 |
|
30 |
DO1 |
输出 |
数字输出 ch1 |
|
31 |
DO3 |
输出 |
数字输出 ch3 |
|
32 |
DO5 |
输出 |
数字输出 ch5 |
|
33 |
DO7 |
输出 |
数字输出 ch7 |
|
34...37 |
NC |
- |
无连接 |
|
外壳 |
FG |
- |
机壳接地 |
推荐的带起重螺钉为#4-40 (UNC)。
|
插脚号 |
信号名称 |
方向 |
说明 |
|---|---|---|---|
|
1 |
DI0/CNT0 |
输入 |
数字输入 ch0/计数器输入 ch0 |
|
2 |
DI2 |
输入 |
数字输入 ch2 |
|
3 |
DI4/CNT1 |
输入 |
数字输入 ch4/计数器输入 ch1 |
|
4 |
DI6 |
输入 |
数字输入 ch6 |
|
5 |
DI8 |
输入 |
数字输入 ch8 |
|
6 |
DI10 |
输入 |
数字输入 ch10 |
|
7 |
DI12 |
输入 |
数字输入 ch12 |
|
8 |
DI14 |
输入 |
数字输入 ch14 |
|
9 |
ECOM0 |
- |
DI 的外部公共端 (ch0...7) |
|
10 |
PCOM |
- |
用于 DO 的续流通用二极管 |
|
11 |
DO0 |
输出 |
数字输出 ch0 |
|
12 |
DO2 |
输出 |
数字输出 ch2 |
|
13 |
DO4 |
输出 |
数字输出 ch4 |
|
14 |
DO6 |
输出 |
数字输出 ch6 |
|
15...19 |
NC |
- |
无连接 |
|
20 |
DI1 |
输入 |
数字输入 ch1 |
|
21 |
DI3 |
输入 |
数字输入 ch3 |
|
22 |
DI5 |
输入 |
数字输入 ch5 |
|
23 |
DI7 |
输入 |
数字输入 ch7 |
|
24 |
DI9 |
输入 |
数字输入 ch9 |
|
25 |
DI11 |
输入 |
数字输入 ch11 |
|
26 |
DI13 |
输入 |
数字输入 ch13 |
|
27 |
DI15 |
输入 |
数字输入 ch15 |
|
28 |
ECOM1 |
- |
DI 的外部公共端 (ch8...15) |
|
29 |
EGND |
- |
外部接地 |
|
30 |
DO1 |
输出 |
数字输出 ch1 |
|
31 |
DO3 |
输出 |
数字输出 ch3 |
|
32 |
DO5 |
输出 |
数字输出 ch5 |
|
33 |
DO7 |
输出 |
数字输出 ch7 |
|
34...37 |
NC |
- |
无连接 |
|
38 |
FG |
- |
机壳接地 |
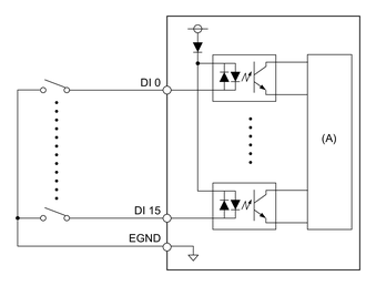
与外部设备连接的示例
终端设备接线
-
如果单根线的两端绞合不正确,则电线可能造成短路。
-
建议使用带绝缘套管的针形端子,以防止端子短路。
-
使用 75 °C (167 °F) 或更高额定值的铜线。
|
推荐横截面积 |
0.5...2.5 mm2 (AWG 20...13) |
|
导体类型 |
实心或绞合线 |
|
导体长度 |
6…7 mm (0.24…0.28 in) ![]() |
|
推荐使用的引脚端子 |
横截面: 0.25...1.5 mm2 |
|
推荐使用的螺丝刀 |
叶片厚度: 0.6 mm (0.02 in) 叶片宽度: 3.5 mm (0.14 in) |
将每根电线插入相应的孔中,并拧紧螺钉以将电线固定到位。

-
接线
-
螺丝刀
安装到 DIN 导轨
用设备的上部凹槽挂住 DIN 导轨,然后将底部推到导轨上,直到听到喀哒声为止。
-
为终端设备使用与 IEC 60715 TH35-7.5 兼容的 DIN 导轨。
-
在此终端设备会遭受极大振动和冲击的环境中,请根据需要使用兼容的紧固件将该终端设备固定在 DIN 导轨上。








