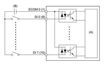
16DI/8DO
このデジタル I/O 用インターフェイスを使用することで外部 I/O を制御することができます。インターフェイスユニットを本製品に装着し、付属の 16DI/8DO DIN レールターミナルユニット接続用ケーブルを使用します。ターミナルユニットは DIN レールに取り付けるように設計されています。
-
この 16DI/8DO インターフェイスを本製品に取り付けた場合、その製品は UL 認証の対象から外れます。
-
API およびサンプルユーティリティー (ソースコードを含む) は弊社のウェブサイトで公開されています。ダウンロードするファイルについては、API を参照してください。
梱包内容

-
16DI/8DO インターフェイス
-
接続ケーブル (2 m)
-
ターミナルユニット
仕様
| 型式 | PFXYP6MPX16Y8 | |
|
コネクター |
D-Sub 15 ピン (ソケット) x 2 |
|
|
消費電力 (最大) |
1.4 W |
|
|
デジタル入力 |
チャネル |
16 |
|
入力電圧 |
有電圧接点 ロジック 0: 0…3 Vdc、ロジック 1: 10…30 Vdc 無電圧接点 ロジック 0: オープン、ロジック 1: GND |
|
|
入力電流 |
0.5 mA (10 Vdc) … 9 mA (30 Vdc) |
|
|
過電圧保護 |
70 Vdc |
|
|
アイソレーション電圧 |
1,250 Vac |
|
|
応答時間 |
標準: 50 μs (最大: 65 μs) |
|
|
無電圧接点用内部電源 |
12 Vdc (最大: 2.3 mA/ch) |
|
|
デジタル出力 |
チャネル |
8 |
|
出力タイプ |
MOS FET |
|
|
出力電圧 |
5...30 Vdc |
|
|
シンク電流 (最大) |
100 mA/ch |
|
|
アイソレーション電圧 |
1,250 Vac |
|
|
応答時間 |
標準: 50 μs (最大: 65 μs) |
|
|
カウンター |
チャネル |
2 |
|
解像度 |
32 ビット |
|
|
入力周波数 (最大) |
デバウンス機能無効時:
10 kHz |
|
ピン割り当て
コネクター 1
|
ピン番号 |
信号名 |
方向 |
内容 |
|---|---|---|---|
|
1 |
DI0/CNT0 |
入力 |
デジタル入力 ch0/カウンター入力 ch0 |
|
2 |
DI1 |
入力 |
デジタル入力 ch1 |
|
3 |
DI2 |
入力 |
デジタル入力 ch2 |
|
4 |
DI3 |
入力 |
デジタル入力 ch3 |
|
5 |
DI4/CNT1 |
入力 |
デジタル入力 ch4/カウンター入力 ch1 |
|
6 |
DI5 |
入力 |
デジタル入力 ch5 |
|
7 |
DI6 |
入力 |
デジタル入力 ch6 |
|
8 |
DI7 |
入力 |
デジタル入力 ch7 |
|
9 |
ECOM0 |
- |
DI (ch0...7) の外部コモン |
|
10 |
EGND |
- |
外部グランド |
|
11 |
DO0 |
出力 |
デジタル出力 ch0 |
|
12 |
DO1 |
出力 |
デジタル出力 ch1 |
|
13 |
DO2 |
出力 |
デジタル出力 ch2 |
|
14 |
DO3 |
出力 |
デジタル出力 ch3 |
|
15 |
PCOM |
- |
DO フリーホイールコモンダイオード |
|
Shell |
FG |
- |
フレームグランド |
コネクター 2
|
ピン番号 |
信号名 |
方向 |
内容 |
|---|---|---|---|
|
1 |
DI8 |
入力 |
デジタル入力 ch8 |
|
2 |
DI9 |
入力 |
デジタル入力 ch9 |
|
3 |
DI10 |
入力 |
デジタル入力 ch10 |
|
4 |
DI11 |
入力 |
デジタル入力 ch11 |
|
5 |
DI12 |
入力 |
デジタル入力 ch12 |
|
6 |
DI13 |
入力 |
デジタル入力 ch13 |
|
7 |
DI14 |
入力 |
デジタル入力 ch14 |
|
8 |
DI15 |
入力 |
デジタル入力 ch15 |
|
9 |
ECOM1 |
- |
DI (ch8...15) の外部コモン |
|
10 |
EGND |
- |
外部グランド |
|
11 |
DO4 |
出力 |
デジタル出力 ch4 |
|
12 |
DO5 |
出力 |
デジタル出力 ch5 |
|
13 |
DO6 |
出力 |
デジタル出力 ch6 |
|
14 |
DO7 |
出力 |
デジタル出力 ch7 |
|
15 |
PCOM |
- |
DO フリーホイールコモンダイオード |
|
Shell |
FG |
- |
フレームグランド |
推奨ジャックスクリューは #4-40 (UNC) です。
|
ピン番号 |
信号名 |
方向 |
内容 |
|---|---|---|---|
|
1 |
DI0/CNT0 |
入力 |
デジタル入力 ch0/カウンター入力 ch0 |
|
2 |
DI2 |
入力 |
デジタル入力 ch2 |
|
3 |
DI4/CNT1 |
入力 |
デジタル入力 ch4/カウンター入力 ch1 |
|
4 |
DI6 |
入力 |
デジタル入力 ch6 |
|
5 |
DI8 |
入力 |
デジタル入力 ch8 |
|
6 |
DI10 |
入力 |
デジタル入力 ch10 |
|
7 |
DI12 |
入力 |
デジタル入力 ch12 |
|
8 |
DI14 |
入力 |
デジタル入力 ch14 |
|
9 |
ECOM0 |
- |
DI (ch0...7) の外部コモン |
|
10 |
PCOM |
- |
DO フリーホイールコモンダイオード |
|
11 |
DO0 |
出力 |
デジタル出力 ch0 |
|
12 |
DO2 |
出力 |
デジタル出力 ch2 |
|
13 |
DO4 |
出力 |
デジタル出力 ch4 |
|
14 |
DO6 |
出力 |
デジタル出力 ch6 |
|
15…19 |
NC |
- |
接続なし |
|
20 |
DI1 |
入力 |
デジタル入力 ch1 |
|
21 |
DI3 |
入力 |
デジタル入力 ch3 |
|
22 |
DI5 |
入力 |
デジタル入力 ch5 |
|
23 |
DI7 |
入力 |
デジタル入力 ch7 |
|
24 |
DI9 |
入力 |
デジタル入力 ch9 |
|
25 |
DI11 |
入力 |
デジタル入力 ch11 |
|
26 |
DI13 |
入力 |
デジタル入力 ch13 |
|
27 |
DI15 |
入力 |
デジタル入力 ch15 |
|
28 |
ECOM1 |
- |
DI (ch8...15) の外部コモン |
|
29 |
EGND |
- |
外部グランド |
|
30 |
DO1 |
出力 |
デジタル出力 ch1 |
|
31 |
DO3 |
出力 |
デジタル出力 ch3 |
|
32 |
DO5 |
出力 |
デジタル出力 ch5 |
|
33 |
DO7 |
出力 |
デジタル出力 ch7 |
|
34…37 |
NC |
- |
接続なし |
|
Shell |
FG |
- |
フレームグランド |
推奨ジャックスクリューは #4-40 (UNC) です。
|
ピン番号 |
信号名 |
方向 |
内容 |
|---|---|---|---|
|
1 |
DI0/CNT0 |
入力 |
デジタル入力 ch0/カウンター入力 ch0 |
|
2 |
DI2 |
入力 |
デジタル入力 ch2 |
|
3 |
DI4/CNT1 |
入力 |
デジタル入力 ch4/カウンター入力 ch1 |
|
4 |
DI6 |
入力 |
デジタル入力 ch6 |
|
5 |
DI8 |
入力 |
デジタル入力 ch8 |
|
6 |
DI10 |
入力 |
デジタル入力 ch10 |
|
7 |
DI12 |
入力 |
デジタル入力 ch12 |
|
8 |
DI14 |
入力 |
デジタル入力 ch14 |
|
9 |
ECOM0 |
- |
DI (ch0...7) の外部コモン |
|
10 |
PCOM |
- |
DO フリーホイールコモンダイオード |
|
11 |
DO0 |
出力 |
デジタル出力 ch0 |
|
12 |
DO2 |
出力 |
デジタル出力 ch2 |
|
13 |
DO4 |
出力 |
デジタル出力 ch4 |
|
14 |
DO6 |
出力 |
デジタル出力 ch6 |
|
15…19 |
NC |
- |
接続なし |
|
20 |
DI1 |
入力 |
デジタル入力 ch1 |
|
21 |
DI3 |
入力 |
デジタル入力 ch3 |
|
22 |
DI5 |
入力 |
デジタル入力 ch5 |
|
23 |
DI7 |
入力 |
デジタル入力 ch7 |
|
24 |
DI9 |
入力 |
デジタル入力 ch9 |
|
25 |
DI11 |
入力 |
デジタル入力 ch11 |
|
26 |
DI13 |
入力 |
デジタル入力 ch13 |
|
27 |
DI15 |
入力 |
デジタル入力 ch15 |
|
28 |
ECOM1 |
- |
DI (ch8...15) の外部コモン |
|
29 |
EGND |
- |
外部グランド |
|
30 |
DO1 |
出力 |
デジタル出力 ch1 |
|
31 |
DO3 |
出力 |
デジタル出力 ch3 |
|
32 |
DO5 |
出力 |
デジタル出力 ch5 |
|
33 |
DO7 |
出力 |
デジタル出力 ch7 |
|
34…37 |
NC |
- |
接続なし |
|
38 |
FG |
- |
フレームグランド |
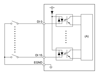
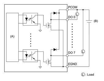
外部機器との接続例
ターミナルユニットの配線
-
より線を使用する場合、芯線のよじりが適切でないと、芯線のヒゲ線同士またはヒゲ線と隣の電極とが短絡するおそれがあります。
-
短絡防止のため、絶縁スリーブ付き棒端子のご使用を推奨します。
-
温度定格が 75 °C (167 °F) 以上の銅芯線を使用してください。
|
推奨断面積 |
0.5...2.5 mm2 (AWG 20...13) |
|
芯線の状態 |
単線またはより線 |
|
芯線の長さ |
6…7 mm (0.24…0.28 in) ![]() |
|
推奨棒端子 |
断面積: 0.25...1.5 mm2 |
|
推奨ドライバー |
刃先厚: 0.6 mm (0.02 in) 幅: 3.5 mm (0.14 in) |
ケーブルを対応する穴に差し込み、ネジを締めケーブルを固定します。

-
ケーブル
-
マイナスドライバー
DIN レールへの取り付け
ユニット上部の溝を DIN レールに引っ掛け、カチッという音がするまでユニットの下部を押し込みます。
-
ターミナルユニットには、IEC 60715/JIS C2812 TH35-7.5 に準拠した DIN レールをご使用ください。
-
ターミナルユニットが極度の振動や衝撃を受ける環境では、必要に応じて互換性のある取り付け金具でターミナルを DIN レールに固定してください。








