Requisitos de instalación
Este producto está diseñado para usar en superficies planas de UL 50/50E, recinto de Tipo 1, Tipo 4X (sólo para uso en interiores), Tipo 12 o Tipo 13.
Coloque este producto en un recinto que ofrece un entorno controlado, limpio, seco y robusto (IP65F, IP66F, IP67F, UL 50/50E, recinto de Tipo 1, Tipo 4X [sólo para uso en interiores] Tipo 12 o Tipo 13).
Para los modelos de 15 pulgadas Ancho y de 19 pulgadas Ancho, la superficie frontal está clasificada para IP66F, IP67F, UL 50/50E, recinto de Tipo 1, Tipo 4X (sólo para uso en interiores), Tipo 12 y Tipo 13.
Para modelos de 12 pulgadas y 15 pulgadas cuando usa una cubierta del USB frontal (sin tornillo) instalada de fábrica, la superficie frontal está clasificada para IP65F, IP67F, UL 50/50E, o un recinto de Tipo 1. Cuando se usa una cubierta a del puerto USB frontal (con tornillo) (PFXZCDCVUS1), la superficie frontal está clasificada para IP66F, IP67F, UL 50/50E, recinto de Tipo 1, Tipo 4X (sólo para uso en interiores), Tipo 12 y Tipo 13.
| Superficie frontal del display | Superficie frontal de la carcasa | ||
|---|---|---|---|
| 12 pulgadas y 15 pulgadas | 15 pulgadas Ancho/19 pulgadas Ancho | ||
| Sin tornillo | Con tornillo | ||
| IP65F, IP67F, UL 50/50E, Tipo 1 | IP66F, IP67F, UL 50/50E, Tipo 1, Tipo 4X (Sólo para uso en interiores), Tipo 12, Tipo 13 | IP66F, IP67F, UL 50/50E, Tipo 1, Tipo 4X (Sólo para uso en interiores), Tipo 12, Tipo 13 | IP65F, IP66F, IP67F, UL 50/50E, Tipo 1, Tipo 4X (Sólo para uso en interiores), Tipo 12, Tipo 13 |
Para modelos de 12 pulgadas y 15 pulgadas, independientemente de si se usa una cubierta del USB frontal instalada de fábrica o una cubierta del USB frontal con un tornillo; cuando la cubierta USB frontal está abierta, la superficie frontal está clasificada para UL 50/50E y un recinto Tipo 1.
Tenga en cuenta la siguiente información cuando instale este equipo en un producto de uso final:
-
La parte posterior de este producto no es una carcasa aprobada. Cuando instale este equipo en un producto de uso final, asegúrese de usar una carcasa que cumple las normas como carcasa general del producto de uso final.
-
Instale este producto en una carcasa con rigidez mecánica.
-
Este producto no está diseñado para uso en exteriores. La certificación UL obtenida es solamente para uso en interiores.
-
Instale y use este producto con el panel frontal dando hacia afuera.
ATENCIÓN
|
|---|
|
RIESGO DE QUEMADURAS
Si no se siguen estas instrucciones, pueden producirse lesiones o daños en el equipo.
|
-
Box Module:
Según el diseño y material del panel, es posible que sea necesario reforzar la superficie de instalación del panel. Si se esperan altos niveles de vibración y la superficie de instalación de este producto puede moverse (p. ej. porque la puerta del recinto se abre o se cierra), se debe prestar la debida atención al peso del producto.Panel Type:
Compruebe que el panel de instalación o la superficie del armario sea plano, que esté en buen estado y que los flancos no presenten picos. Puede colocar tiras metálicas de refuerzo en el interior del panel, cerca del corte, para aumentar la rigidez. -
Box Module:
Determine el espesor del panel, tomando en cuenta el material y la solidez del mismo, así como el entorno donde se utilizará. El espesor debe ser de 1,6 mm (0,06 in) o más, tomando en cuenta la longitud de los tornillos M4.Panel Type:
Determine el espesor de pared del recinto de acuerdo con el nivel de resistencia necesario. Incluso si el espesor de la pared de instalación se encuentra dentro del intervalo recomendado para las Dimensiones del corte del panel, la pared de instalación se puede deformar según el material, el tamaño y la ubicación de este producto y de otros dispositivos. Para evitar que se deforme, es posible que sea necesario reforzar la superficie de instalación. -
Compruebe que la temperatura ambiente y humedad ambiente se encuentren dentro de los rangos especificados en las Especificaciones ambientales. Cuando instale este producto en un armario o en una carcasa, la temperatura ambiente es la temperatura interna y externa de la carcasa.
-
Asegúrese de que el calor desprendido por el equipo adyacente no ocasione que este producto supere su temperatura de funcionamiento estándar.
-
Cuando coloque el Panel Type verticalmente, asegúrese de que el lado derecho de este producto esté orientado hacia arriba. Es decir, el conector de alimentación debe estar situado en la parte superior. Para el Box Module, consulte Instalación del Box Module.
NOTA: Asegúrese de que sus aplicaciones sean compatibles con la orientación vertical de la pantalla. -
Cuando instala este producto en posición inclinada, la cara del mismo no debe inclinarse más de 30°.
-
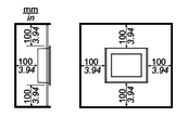
Para un funcionamiento y mantenimiento más sencillos, así como con una mejor ventilación, instale este producto a 100 mm (3,94 in) como mínimo de otros equipos y estructuras adyacentes, tal y como se muestra en la siguiente ilustración:
Diferencias de presión
Cuando aplica e instala este producto, es importante tomar las medidas necesarias para eliminar cualquier diferencia de presión entre la parte interior y la parte exterior del recinto donde se coloca el producto. Si hay mayor presión dentro del recinto, puede provocar la delaminación de la membrana en la parte frontal del display. Incluso una pequeña diferencia de presión dentro del recinto afectará el área grande de la membrana y puede provocar la fuerza suficiente para delaminar la membrana y, por lo tanto, causar el fallo de la capacidad táctil. Las diferencias de presión pueden ocurrir con frecuencia en las aplicaciones donde hay varios ventiladores que mueven el aire a diferentes velocidades en distintas habitaciones. Siga las técnicas a continuación con el fin de garantizar que el funcionamiento de este producto no se vea afectado por el mal uso:-
Selle todas la conexiones de conductos dentro del recinto, especialmente los que conducen a otras habitaciones que pueden tener una presión diferente.
-
Si aplica, instale una pequeña abertura de drenaje en la parte inferior del recinto para permitir la igualación de la presión interna y externa.
ATENCIÓN



