电源注意事项
危险
|
|---|
|
短路、火灾或意外的设备操作
未按说明操作可能导致人身伤亡等严重后果。
|
提高抗干扰/浪涌的性能
-
本产品的电源线不应与主电路线(高电压,大电流)电源线、输入输出信号线靠近或捆扎在一起,且各个系统应相互分开。如果电源线的连接不能采用单独的系统,输入/输出线请使用屏蔽电缆。
-
请保持电源线足够短并确保将靠近电源的电线的末端扭在一起。
-
如果电源线上干扰过大,请在通电前连接降噪晶体管、滤波器或其它装置。
-
请连接电涌保护设备应对电源浪涌。
-
为降低干扰,请将铁素体芯连接到电源线。
电源连接
-
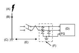
装上电涌保护设备以防止由于雷击所产生强电磁场的雷电电涌对本产品造成损坏。
我们还强烈建议将本产品的交叉接地线连接到靠近电涌保护设备接地端子的位置。
发生雷击时,避雷针上会有较大的瞬时电流流过,导致接地电位发生波动,这会对本产品造成影响。在避雷针接地点与电涌保护设备接地点之间提供足够的距离。
-
选择一个在线与地之间噪音较小的电源。如果噪音干扰量过大,则连接隔离变压器。使用超过最大功耗值(包括主机模块的功耗)的隔离变压器。请参阅电气规格。
危险



