Precauzioni sulla tensione di alimentazione
PERICOLO
|
|---|
|
RISCHIO DI CORTOCIRCUITO, INCENDIO O FUNZIONAMENTO
ANOMALO DELLE APPARECCHIATURE
Il mancato rispetto delle presenti istruzioni comporta pericolo di morte e di lesioni
gravi.
|
Miglioramento dell'immunità a disturbi e sovracorrenti
-
Il cavo di alimentazione dell'apparato non dovrebbe essere avvolto o tenuto vicino alle linee principali del circuito (alta tensione, alta corrente). Le linee di alimentazione o le linee di input/output e i loro vari sistemi dovrebbero essere tenute separati. Se le linee di alimentazione non possono essere collegate con un sistema separato, utilizzare cavi schermati per le linee di input/output.
-
Realizzare il cavo di alimentazione più corto possibile e assicurarsi di attorcigliare le estremità dei fili tra loro (cioè creare un doppino) vicino all'alimentatore.
-
In presenza di eccessivo livello di rumore sulla linea di alimentazione, collegare un trasformatore di riduzione rumore, un filtro antirumore o altro prima di attivare l'alimentazione.
-
Collegare un dispositivo di protezione da sovratensioni per gestire queste ultime.
-
Per aumentare la resistenza al rumore, fissare un anello di ferrite sul cavo di alimentazione.
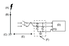
Collegamenti alimentatore
-
Quando si alimenta di corrente questo prodotto, collegarla come mostrato qui di seguito.
-
Di seguito si mostra il collegamento di un dispositivo di protezione da sovratensioni:
-
Aggiungere un dispositivo di protezione da sovratensioni per evitare danni all'apparato per sovratensione indotta dai fulmini, proveniente dall'elevato campo elettromagnetico generato dalla scarica diretta del fulmine.
Si consiglia vivamente di collegare il cavo di massa di questo prodotto su una posizione vicina al terminale di massa del dispositivo di protezione da sovratensioni.
Ci si aspetta un effetto sul prodotto, a causa delle fluttuazioni nel potenziale di massa quando si presenta un grande aumento di flusso di energia elettrica sulla massa del parafulmine, al momento della scarica del fulmine. Prevedere uno spazio sufficiente tra il punto di massa del parafulmine e il punto di massa del dispositivo di protezione da sovratensioni.
-
Scegliere un alimentatore a basso rumore da inserire tra la linea e la terra. Se fosse presente un livello eccessivo di disturbo, collegare un trasformatore di isolamento. Usare trasformatori di isolamento di capacità superiore al massimo consumo di energia, compresa quella del Box Module. Fare riferimento a Specifiche elettriche.
PERICOLO



