16DI/8DO
이 디지털 I/O 인터페이스를 사용하여 외부 I/O를 제어할 수 있습니다. 인터페이스 장치를 이 제품에 부착하고 또한 포함된 케이블로 16DI/8DO DIN 레일 터미널 장치에 연결합니다. 터미널 장치는 DIN 레일 장착용으로 설계되었습니다.
-
이 16DI/8DO 인터페이스가 제품에 설치되는 경우 UL 인증을 준수하지 않습니다.
-
API 및 샘플 유틸리티(소스 코드 포함)는 당사 웹 사이트에 게시되어 있습니다. 다운로드할 파일은 API 를 참조하십시오.
패키지 내용물

-
16DI/8DO 인터페이스
-
연결 케이블(2 m)
-
터미널 장치
사양
| 제품 번호 | PFXYP6MPX16Y8 | |
|
커넥터 |
D-Sub 15핀(소켓) x 2 |
|
|
디지털 입력 |
채널 |
16 |
|
입력 전압 |
유전압
접점 논리 0: 0...3 Vdc, 논리 1: 10...30 Vdc 무전압 접점 논리 0: 개방, 논리 1: GND |
|
|
입력 전류 |
0.5 mA (10 Vdc)… 9 mA(30 Vdc) |
|
|
과전압 보호 |
70 Vdc |
|
|
절연 전압 |
1,250 Vac |
|
|
응답 시간 |
일반: 50 μs (최대: 65 μs) |
|
|
무전압 접점용 내부 전원 공급 장치 |
12 Vdc (최대: 2.3 mA/ch) |
|
|
디지털 출력 |
채널 |
8 |
|
출력 형식 |
MOS FET |
|
|
출력 전압 |
5...30 Vdc |
|
|
싱크 전류(최대) |
100 mA/ch |
|
|
절연 전압 |
1,250 Vac |
|
|
응답 시간 |
일반: 50 μs (최대: 65 μs) |
|
|
카운터 |
채널 |
2 |
|
해상도 |
32비트 |
|
|
입력 주파수(최대) |
디바운스 기능이 비활성화된
경우: 10 kHz |
|
핀 할당
커넥터 1
|
핀 번호 |
신호 이름 |
방향 |
설명 |
|---|---|---|---|
|
1 |
DI0/CNT0 |
입력 |
디지털 입력 ch0/카운터 입력 ch0 |
|
2 |
DI1 |
입력 |
디지털 입력 ch1 |
|
3 |
DI2 |
입력 |
디지털 입력 ch2 |
|
4 |
DI3 |
입력 |
디지털 입력 ch3 |
|
5 |
DI4/CNT1 |
입력 |
디지털 입력 ch4/카운터 입력 ch1 |
|
6 |
DI5 |
입력 |
디지털 입력 ch5 |
|
7 |
DI6 |
입력 |
디지털 입력 ch6 |
|
8 |
DI7 |
입력 |
디지털 입력 ch7 |
|
9 |
ECOM0 |
- |
DI의 외부 공통(ch0... 7) |
|
10 |
EGND |
- |
외부 접지 |
|
11 |
DO0 |
출력 |
디지털 출력 ch0 |
|
12 |
DO1 |
출력 |
디지털 출력 ch1 |
|
13 |
DO2 |
출력 |
디지털 출력 ch2 |
|
14 |
DO3 |
출력 |
디지털 출력 ch3 |
|
15 |
PCOM |
- |
DO용 환류 공통 다이오드 |
|
셸 |
FG |
- |
프레임 접지 |
커넥터 2
|
핀 번호 |
신호 이름 |
방향 |
설명 |
|---|---|---|---|
|
1 |
DI8 |
입력 |
디지털 입력 ch8 |
|
2 |
DI9 |
입력 |
디지털 입력 ch9 |
|
3 |
DI10 |
입력 |
디지털 입력 ch10 |
|
4 |
DI11 |
입력 |
디지털 입력 ch11 |
|
5 |
DI12 |
입력 |
디지털 입력 ch12 |
|
6 |
DI13 |
입력 |
디지털 입력 ch13 |
|
7 |
DI14 |
입력 |
디지털 입력 ch14 |
|
8 |
DI15 |
입력 |
디지털 입력 ch15 |
|
9 |
ECOM1 |
- |
DI의 외부 공통(ch8...15) |
|
10 |
EGND |
- |
외부 접지 |
|
11 |
DO4 |
출력 |
디지털 출력 ch4 |
|
12 |
DO5 |
출력 |
디지털 출력 ch5 |
|
13 |
DO6 |
출력 |
디지털 출력 ch6 |
|
14 |
DO7 |
출력 |
디지털 출력 ch7 |
|
15 |
PCOM |
- |
DO용 환류 공통 다이오드 |
|
셸 |
FG |
- |
프레임 접지 |
권장 잭 나사는 #4-40 (UNC)입니다.
|
핀 번호 |
신호 이름 |
방향 |
설명 |
|---|---|---|---|
|
1 |
DI0/CNT0 |
입력 |
디지털 입력 ch0/카운터 입력 ch0 |
|
2 |
DI2 |
입력 |
디지털 입력 ch2 |
|
3 |
DI4/CNT1 |
입력 |
디지털 입력 ch4/카운터 입력 ch1 |
|
4 |
DI6 |
입력 |
디지털 입력 ch6 |
|
5 |
DI8 |
입력 |
디지털 입력 ch8 |
|
6 |
DI10 |
입력 |
디지털 입력 ch10 |
|
7 |
DI12 |
입력 |
디지털 입력 ch12 |
|
8 |
DI14 |
입력 |
디지털 입력 ch14 |
|
9 |
ECOM0 |
- |
DI의 외부 공통(ch0... 7) |
|
10 |
PCOM |
- |
DO용 환류 공통 다이오드 |
|
11 |
DO0 |
출력 |
디지털 출력 ch0 |
|
12 |
DO2 |
출력 |
디지털 출력 ch2 |
|
13 |
DO4 |
출력 |
디지털 출력 ch4 |
|
14 |
DO6 |
출력 |
디지털 출력 ch6 |
|
15…19 |
NC |
- |
연결 없음 |
|
20 |
DI1 |
입력 |
디지털 입력 ch1 |
|
21 |
DI3 |
입력 |
디지털 입력 ch3 |
|
22 |
DI5 |
입력 |
디지털 입력 ch5 |
|
23 |
DI7 |
입력 |
디지털 입력 ch7 |
|
24 |
DI9 |
입력 |
디지털 입력 ch9 |
|
25 |
DI11 |
입력 |
디지털 입력 ch11 |
|
26 |
DI13 |
입력 |
디지털 입력 ch13 |
|
27 |
DI15 |
입력 |
디지털 입력 ch15 |
|
28 |
ECOM1 |
- |
DI의 외부 공통(ch8...15) |
|
29 |
EGND |
- |
외부 접지 |
|
30 |
DO1 |
출력 |
디지털 출력 ch1 |
|
31 |
DO3 |
출력 |
디지털 출력 ch3 |
|
32 |
DO5 |
출력 |
디지털 출력 ch5 |
|
33 |
DO7 |
출력 |
디지털 출력 ch7 |
|
34…37 |
NC |
- |
연결 없음 |
|
셸 |
FG |
- |
프레임 접지 |
권장 잭 나사는 #4-40 (UNC)입니다.
|
핀 번호 |
신호 이름 |
방향 |
설명 |
|---|---|---|---|
|
1 |
DI0/CNT0 |
입력 |
디지털 입력 ch0/카운터 입력 ch0 |
|
2 |
DI2 |
입력 |
디지털 입력 ch2 |
|
3 |
DI4/CNT1 |
입력 |
디지털 입력 ch4/카운터 입력 ch1 |
|
4 |
DI6 |
입력 |
디지털 입력 ch6 |
|
5 |
DI8 |
입력 |
디지털 입력 ch8 |
|
6 |
DI10 |
입력 |
디지털 입력 ch10 |
|
7 |
DI12 |
입력 |
디지털 입력 ch12 |
|
8 |
DI14 |
입력 |
디지털 입력 ch14 |
|
9 |
ECOM0 |
- |
DI의 외부 공통(ch0... 7) |
|
10 |
PCOM |
- |
DO용 환류 공통 다이오드 |
|
11 |
DO0 |
출력 |
디지털 출력 ch0 |
|
12 |
DO2 |
출력 |
디지털 출력 ch2 |
|
13 |
DO4 |
출력 |
디지털 출력 ch4 |
|
14 |
DO6 |
출력 |
디지털 출력 ch6 |
|
15…19 |
NC |
- |
연결 없음 |
|
20 |
DI1 |
입력 |
디지털 입력 ch1 |
|
21 |
DI3 |
입력 |
디지털 입력 ch3 |
|
22 |
DI5 |
입력 |
디지털 입력 ch5 |
|
23 |
DI7 |
입력 |
디지털 입력 ch7 |
|
24 |
DI9 |
입력 |
디지털 입력 ch9 |
|
25 |
DI11 |
입력 |
디지털 입력 ch11 |
|
26 |
DI13 |
입력 |
디지털 입력 ch13 |
|
27 |
DI15 |
입력 |
디지털 입력 ch15 |
|
28 |
ECOM1 |
- |
DI의 외부 공통(ch8...15) |
|
29 |
EGND |
- |
외부 접지 |
|
30 |
DO1 |
출력 |
디지털 출력 ch1 |
|
31 |
DO3 |
출력 |
디지털 출력 ch3 |
|
32 |
DO5 |
출력 |
디지털 출력 ch5 |
|
33 |
DO7 |
출력 |
디지털 출력 ch7 |
|
34…37 |
NC |
- |
연결 없음 |
|
38 |
FG |
- |
프레임 접지 |
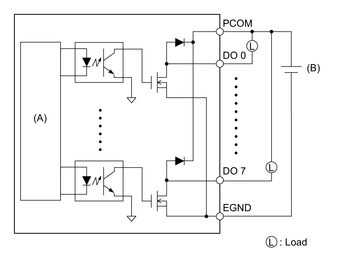
외부 장치와의 연결 예
터미널 장치의 배선
-
개별 전선의 끝이 제대로 꼬여있지 않으면 합선될 수 있습니다.
-
터미널 합선 가능성을 방지하기 위해 절연 슬리브가 있는 핀 터미널 사용을 권합니다.
-
75 °C (167 °F) 이상 등급의 구리 전선을 사용하십시오.
|
권장 단면 |
0.5...2.5 mm2 (AWG 20...13) |
|
도체 유형 |
단선 또는 연선 |
|
도체 길이 |
6...7 mm (0.24...0.28 in) ![]() |
|
권장 핀 단자 |
단면: 0.25...1.5 mm2 |
|
권장 드라이버 |
블레이드 두께: 0.6 mm (0.02 in) 블레이드 너비: 3.5 mm (0.14 in) |
각 코드 전선을 해당 구멍에 삽입하고 나사를 조여 전선을 제자리에 고정시킵니다.

-
코드
-
스크류 드라이버
DIN 레일에 설치하기
장치의 상단 홈을 DIN 레일에 건 다음 하단 부분을 딸깍 소리가 날 때까지 레일에 밀어 넣습니다.
-
터미널 장치에는 IEC 60715 TH35-7.5와 호환되는 DIN 레일을 사용하십시오.
-
이 터미널 장치에 심한 진동과 충격이 가해지는 환경에서는 요구되는 경우 이 터미널 장치를 호환되는 파스너로 DIN 레일에 부착하십시오.








