16DI/8DO
Utilizzando questa interfaccia digitale I/O si può controllare l'I/O esterno. Collegare l'unità di interfaccia al prodotto e usare anche il, cavo accluso per collegare per collegarla alla morsettiera 16DI/8DO DIN. L'unità terminale è configurata per il montaggio sulla morsettiera DIN.
-
Se si installa l’interfaccia 16DI/8DO sul prodotto, va tenuto presente che non è conforme alla certificazione UL.
-
L'API e la utility campione (compresi i condici fonte) sono pubblicati sul nostro sito web. Per la procedura di scaricamento del file, far riferimento a API.
Contenuto della confezione

-
Interfaccia 16DI/8DO
-
Cavo di collegamento (2 m)
-
Unità terminale
Specifiche
| Numero prodotto | PFXYP6MPX16Y8 | |
|
Connettore |
D-Sub 15 pin (presa) x 2 |
|
|
Ingresso digitale |
Canali |
16 |
|
Tensione in ingresso |
Contatto bagnato Logic 0: 0…3 Vcc, Logic 1: 10…30 Vcc Contatto asciutto Logic 0: Open, Logic 1: GND |
|
|
Corrente in ingresso |
0,5 mA (10 Vcc) … 9 mA (30 Vcc) |
|
|
Protezione sbalzi di tensione |
70 Vcc |
|
|
Tensione di isolamento |
1.250 Vca |
|
|
Tempo di risposta: |
Tipico: 50 μs (max.: 65 μs) |
|
|
Alimentazione interna per contatto asciutto |
12 Vcc (max.: 2,3 mA/ch) |
|
|
Uscita digitale |
Canali |
8 |
|
Tipo d'uscita |
MOS FET |
|
|
Tensione in uscita |
5...30 Vcc |
|
|
Corrente di caduta (max.) |
100 mA/ch |
|
|
Tensione di isolamento |
1.250 Vca |
|
|
Tempo di risposta: |
Tipico: 50 μs (max.: 65 μs) |
|
|
Contatore |
Canali |
2 |
|
Risoluzione |
32 bit |
|
|
Frequenza in ingresso (max.) |
Quando la funzione antirimbalzo è disattivata: 10 kHz |
|
Assegnazione dei pin
Connettore 1
|
N° pin |
Nome segnale |
Direzione |
Descrizione |
|---|---|---|---|
|
1 |
DI0/CNT0 |
Ingresso |
Ingresso digitale ch0/Ingresso contatore ch0 |
|
2 |
DI1 |
Ingresso |
Ingresso digitale ch1 |
|
3 |
DI2 |
Ingresso |
Ingresso digitale ch2 |
|
4 |
DI3 |
Ingresso |
Ingresso digitale ch3 |
|
5 |
DI4/CNT1 |
Ingresso |
Ingresso digitale ch4/Ingresso contatore ch1 |
|
6 |
DI5 |
Ingresso |
Ingresso digitale ch5 |
|
7 |
DI6 |
Ingresso |
Ingresso digitale ch6 |
|
8 |
DI7 |
Ingresso |
Ingresso digitale ch7 |
|
9 |
ECOM0 |
- |
Comune esterno di DI (ch0...7) |
|
10 |
EGND |
- |
Massa esterna |
|
11 |
DO0 |
Uscita |
Uscita digitale ch0 |
|
12 |
DO1 |
Uscita |
Uscita digitale ch1 |
|
13 |
DO2 |
Uscita |
Uscita digitale ch2 |
|
14 |
DO3 |
Uscita |
Uscita digitale ch3 |
|
15 |
PCOM |
- |
Diodo di ricircolo comune per DO |
|
Involucro |
FG |
- |
Massa telaio |
Connettore 2
|
N° pin |
Nome segnale |
Direzione |
Descrizione |
|---|---|---|---|
|
1 |
DI8 |
Ingresso |
Ingresso digitale ch8 |
|
2 |
DI9 |
Ingresso |
Ingresso digitale ch9 |
|
3 |
DI10 |
Ingresso |
Ingresso digitale ch10 |
|
4 |
DI11 |
Ingresso |
Ingresso digitale ch11 |
|
5 |
DI12 |
Ingresso |
Ingresso digitale ch12 |
|
6 |
DI13 |
Ingresso |
Ingresso digitale ch13 |
|
7 |
DI14 |
Ingresso |
Ingresso digitale ch14 |
|
8 |
DI15 |
Ingresso |
Ingresso digitale ch15 |
|
9 |
ECOM1 |
- |
Comune esterno di DI (ch8...15) |
|
10 |
EGND |
- |
Massa esterna |
|
11 |
DO4 |
Uscita |
Uscita digitale ch4 |
|
12 |
DO5 |
Uscita |
Uscita digitale ch5 |
|
13 |
DO6 |
Uscita |
Uscita digitale ch6 |
|
14 |
DO7 |
Uscita |
Uscita digitale ch7 |
|
15 |
PCOM |
- |
Diodo di ricircolo comune per DO |
|
Involucro |
FG |
- |
Massa telaio |
Vite a martinetto #4-40 (UNC).
|
N° pin |
Nome segnale |
Direzione |
Descrizione |
|---|---|---|---|
|
1 |
DI0/CNT0 |
Ingresso |
Ingresso digitale ch0/Ingresso contatore ch0 |
|
2 |
DI2 |
Ingresso |
Ingresso digitale ch2 |
|
3 |
DI4/CNT1 |
Ingresso |
Ingresso digitale ch4/Ingresso contatore ch1 |
|
4 |
DI6 |
Ingresso |
Ingresso digitale ch6 |
|
5 |
DI8 |
Ingresso |
Ingresso digitale ch8 |
|
6 |
DI10 |
Ingresso |
Ingresso digitale ch10 |
|
7 |
DI12 |
Ingresso |
Ingresso digitale ch12 |
|
8 |
DI14 |
Ingresso |
Ingresso digitale ch14 |
|
9 |
ECOM0 |
- |
Comune esterno di DI (ch0...7) |
|
10 |
PCOM |
- |
Diodo di ricircolo comune per DO |
|
11 |
DO0 |
Uscita |
Uscita digitale ch0 |
|
12 |
DO2 |
Uscita |
Uscita digitale ch2 |
|
13 |
DO4 |
Uscita |
Uscita digitale ch4 |
|
14 |
DO6 |
Uscita |
Uscita digitale ch6 |
|
15…19 |
NC |
- |
Connessione assente |
|
20 |
DI1 |
Ingresso |
Ingresso digitale ch1 |
|
21 |
DI3 |
Ingresso |
Ingresso digitale ch3 |
|
22 |
DI5 |
Ingresso |
Ingresso digitale ch5 |
|
23 |
DI7 |
Ingresso |
Ingresso digitale ch7 |
|
24 |
DI9 |
Ingresso |
Ingresso digitale ch9 |
|
25 |
DI11 |
Ingresso |
Ingresso digitale ch11 |
|
26 |
DI13 |
Ingresso |
Ingresso digitale ch13 |
|
27 |
DI15 |
Ingresso |
Ingresso digitale ch15 |
|
28 |
ECOM1 |
- |
Comune esterno di DI (ch8...15) |
|
29 |
EGND |
- |
Massa esterna |
|
30 |
DO1 |
Uscita |
Uscita digitale ch1 |
|
31 |
DO3 |
Uscita |
Uscita digitale ch3 |
|
32 |
DO5 |
Uscita |
Uscita digitale ch5 |
|
33 |
DO7 |
Uscita |
Uscita digitale ch7 |
|
34…37 |
NC |
- |
Connessione assente |
|
Involucro |
FG |
- |
Massa telaio |
Vite a martinetto #4-40 (UNC).
|
N° pin |
Nome segnale |
Direzione |
Descrizione |
|---|---|---|---|
|
1 |
DI0/CNT0 |
Ingresso |
Ingresso digitale ch0/Ingresso contatore ch0 |
|
2 |
DI2 |
Ingresso |
Ingresso digitale ch2 |
|
3 |
DI4/CNT1 |
Ingresso |
Ingresso digitale ch4/Ingresso contatore ch1 |
|
4 |
DI6 |
Ingresso |
Ingresso digitale ch6 |
|
5 |
DI8 |
Ingresso |
Ingresso digitale ch8 |
|
6 |
DI10 |
Ingresso |
Ingresso digitale ch10 |
|
7 |
DI12 |
Ingresso |
Ingresso digitale ch12 |
|
8 |
DI14 |
Ingresso |
Ingresso digitale ch14 |
|
9 |
ECOM0 |
- |
Comune esterno di DI (ch0...7) |
|
10 |
PCOM |
- |
Diodo di ricircolo comune per DO |
|
11 |
DO0 |
Uscita |
Uscita digitale ch0 |
|
12 |
DO2 |
Uscita |
Uscita digitale ch2 |
|
13 |
DO4 |
Uscita |
Uscita digitale ch4 |
|
14 |
DO6 |
Uscita |
Uscita digitale ch6 |
|
15…19 |
NC |
- |
Connessione assente |
|
20 |
DI1 |
Ingresso |
Ingresso digitale ch1 |
|
21 |
DI3 |
Ingresso |
Ingresso digitale ch3 |
|
22 |
DI5 |
Ingresso |
Ingresso digitale ch5 |
|
23 |
DI7 |
Ingresso |
Ingresso digitale ch7 |
|
24 |
DI9 |
Ingresso |
Ingresso digitale ch9 |
|
25 |
DI11 |
Ingresso |
Ingresso digitale ch11 |
|
26 |
DI13 |
Ingresso |
Ingresso digitale ch13 |
|
27 |
DI15 |
Ingresso |
Ingresso digitale ch15 |
|
28 |
ECOM1 |
- |
Comune esterno di DI (ch8...15) |
|
29 |
EGND |
- |
Massa esterna |
|
30 |
DO1 |
Uscita |
Uscita digitale ch1 |
|
31 |
DO3 |
Uscita |
Uscita digitale ch3 |
|
32 |
DO5 |
Uscita |
Uscita digitale ch5 |
|
33 |
DO7 |
Uscita |
Uscita digitale ch7 |
|
34…37 |
NC |
- |
Connessione assente |
|
38 |
FG |
- |
Massa telaio |
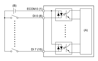
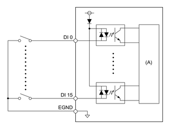
Esempio di collegamento con apparecchio esterno
Schema elettrico dell’unità terminale
-
Se le estremità dei singoli fili non sono ritorti correttamente, i fili potrebbero creare un cortocircuito.
-
Si consiglia di collegare una morsettiera a pin con un manicotto di isolamento, per ridurre il rischio di cortocircuito.
-
Usare cavi in rame omologato per temperature di 75 °C (167 °F) o superiori.
Inserire ogni filo animato nel foro corrispondente e serrare le viti per fissare il filo al suo posto.

-
Cavo
-
Cacciavite
Installazione della guida DIN
Agganciare la scanalatura superiore dell'unità nella guida DIN, poi premere la parte inferiore sulla guida fino a sentire uno scatto.
-
Utilizzare la guida DIN compatibile con IEC 60715 TH35-7.5 per la morsettiera.
-
In ambienti nei quali la morsettiera fosse sottoposta a vibrazioni estremi e forti urti, fissarla a una guida DFIN con fissaggi compatibili, come previsto.








