PS6000-MM01-JA_01

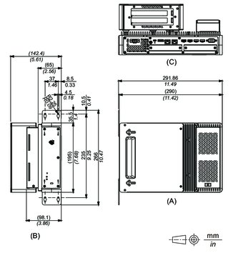
ブックマウントアダプター付き寸法 (側面)

  1. 正面図

  2. 右側面図

  3. 底面図

検索結果 (0)

閉じる