
Record to FTP
Set whether to record from a video camera and save on an FTP server.
FTP server
Specify the FTP server for saving the movie files. Use the FTP server number registered in [FTP Server] in the system setting window.
Direct
Select the FTP server number from 0-31.
Indirect
Specify the address for saving, and specify the connection number for the server on which the files will be saved. You can change the FTP server for saving files on the connection device.
Use a sequence of 3 Words from the specified address.

Control
Turn ON bit 0 to specify the numbers saved in the following address as the FTP server connection.

Server Connection Number
Store the server connection number. Store it before turning ON bit 0 of the [Control] address.
Status
Turning ON bit 0 in the [Control] address also turns ON bit 0 in the [Status] address. Specifying the server connection number while saving is in progress results in an error and bit 15 turns ON.

![]()
Bit 0 and bit 15 of the [Status] address are turned OFF when bit 0 of the [Control] address is turned OFF.
If a 32-bit device is specified, only the bottom 16 bits are used.
File Size
Specify the size of each movie file to be saved. The settings range is from 1 to 2048 MB. Any pictures that exceed the specified file size are automatically saved in the next file. The file uses the name based on the timestamp (year, month, date, hours, minutes, seconds) when the file is created.
User set string
Specify the character string to be included in the folder and file names for the saved video files. You can specify up to two single-byte alphanumeric characters.
![]()
The file name is the user-defined string (maximum two characters) + time stamp.
(For example, when the user-defined string is "MC", the date is May 27, 2006, and the time is 15:23:46
The file name is "MC060527_152346.SDX".
Direct
Directly input the settings.
Indirect
Specify the address used for saving the file and for specifying the strings as user set strings. You can change any file name on the connection device. Use a sequence of 3 Words from the specified address.

Control
Turn ON bit 0 to save the codes in the following address as "user set string".

User Set String
Save the string codes. The procedure for saving text codes differs depending on the connection devices.
Status
When you turn bit 0 in [Control] address ON, the bit 0 in [Status] address turns ON. If you specify user-defined text strings while monitoring is in progress, it generates an error and turns bit 15 ON.

![]()
Bit 0 and bit 15 of the [Status] address are turned OFF when bit 0 of the [Control] address is turned OFF.
If a 32-bit device is specified, only the bottom 16 bits are used.
Using D-script if you copy the value of system variable #H_LocalName to [User Set String] and set [Control] ON, a folder will be created using the name of the display unit. When saving videos from multiple Displays, you can easily determine which folder is for which Display.
Timeout
Specify the queuing time for when the FTP server does not respond to an access request. The value can be from 10 to 120 seconds.
Control Word Address
Specify the address for controlling save operations. Use a sequence of 2 Words from the specified address.

Control
Turn ON bit 0 to start recording. Turn OFF the bit to stop recording.
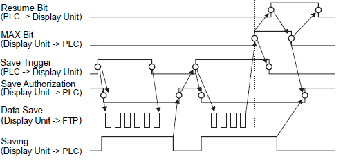
Timing Chart for Saving to FTP

Status
Stores the operation status and error status for the save to FTP operation.

Save authorization bits are turned ON when the display unit's power is turned on.
The error status indicates the following conditions.
Error Code
|
0 |
Completed Successfully |
- |
|
1...8 |
Reserved |
- |
|
9 |
FTP Connection Error |
The FTP server is not operating normally, or the FTP server does not exist. |
|
10 |
FTP Login Error |
The FTP user name or password is incorrect. |
|
11 |
Write Error |
The logged in user does not have writing privileges, or writing to the FTP server has failed, or there is not enough free space. |
|
12...13 |
Reserved |
- |
|
14 |
Client functions are operating |
Saving to FTP server was initiated while movie play was in progress. |
|
15 |
Reserved |
- |
![]()
If a 32-bit device is specified, only the bottom 16 bits are used.
Timing Chart for Saving to FTP

![]()
If saving a file to the FTP server fails, the display unit turns ON bit 15 of the [Status] address (save error bit) and no files can be saved. Once the FTP server resumes file saving, the display unit turns ON bit 1 (resume bit) of the [Control] address. The display unit turns OFF the error bit and begins saving files.