
![]()
When using display units that support the SD card, "CF"/"CF Card" is replaced with "SD"/"SD Card".
Save to CF/USB (Save to SD/USB)
Select the check box if you want to record images from a video camera and to external storage.
Save in
Select a location to save a movie file from [CF] (or [SD]), and [USB].
File Size
Specify the size of each movie file to be saved. The range is from 1 to 512MB. Any pictures that exceed the specified file size are automatically saved in the next file. The file uses the name based on the timestamp (year, month, date, hours, minutes, seconds) when the file is created.
Number of Files
Specify the number of video files to save in a folder. The settings range from 1 to 100.
User set string
Specify the character string to be included in the folder and file names for the saved video files. You can specify up to two single-byte alphanumeric characters.
![]()
The file name is the user-defined string (maximum two characters) + time stamp.
(For example, if the user-defined string is "MC" and the date is May 27, 2006, and the time is 15:23:46
"MC060527_152346.SDX".
If the user does not specify a string, the folder name will be "NO-NAME" and only the time stamp (year, month, day, hour, minute, second when the file was saved) will appear in the file name.
Direct
Specify the string by entering it here.
Indirect
Specify the address used for saving the file and for specifying the strings as user set strings. You can change any file name on the connection device. Use a sequence of 3 Words from the specified address.

Control
Turn ON bit 0 to save the codes in the following address as "user set string".

User Set String
Save the string codes. The procedure for saving text codes differs depending on the connection devices.
Status
Once Bit 0 in the [Control] Address is set to ON, Bit 0 in the [Status] Address is turned ON.
Specifying user set strings while saving to external storage will result in an error and bit 15 turning ON.

![]()
Bit 0 and bit 15 of the [Status] address are turned OFF when bit 0 of the [Control] address is turned OFF.
If a 32-bit device is specified, only the bottom 16 bits are used.
If you copy a value of system variable #H_LocalName to [User Set String] using D-Script and set [Control] ON, the folder of Display unit name will be created. When saving multiple Displays' videos, you can easily determine which Display's data is in a folder.
Control Word Address
Specify the address for controlling save operations. Use a sequence of 3 Words from the specified address.

Control
Turn ON bit 0 to start monitoring. Turn OFF the bit to stop recording.
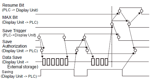
Timing Chart for Saving to CF/USB (SD/USB)

Status
The CF/USB save (SD/USB save) status and error status are saved.
Save authorization bits are turned ON when the display unit's power is turned on.
The error status indicates the following conditions.
Error Code
|
0 |
Completed Successfully |
- |
|
1 to 3 |
Reserved |
- |
|
4 |
No external storage |
Either external storage is not attached to the display unit, or the CF card cover is open. |
|
5 |
Write Error |
Writing data to external storage failed or there is insufficient free space. SD card is write protected. |
|
6 |
Reserved |
- |
|
7 |
CF Card Error/USB Storage Error |
The CF card/USB storage is not formatted properly or is damaged. |
|
8 to 13 |
Reserved |
- |
|
14 |
Playing |
Started saving to CF/USB while playing a movie. |
|
15 |
Reserved |
- |
Number of Files Saved
If a file is successfully saved, the address is increased by one. You can see how many files have been saved up to that point. Files currently being saved are not counted. The number of files are updated when:
The power is turned on
When external storage is inserted
[Indirect] is selected when setting the [User Set String], or the folder name is changed. Only movie files (.SDX) are counted.
![]()
Do not save files in a folder that does not have the same [User Set String] or file count, as doing so will cause the files to be included in the file count number.
![]()
If a 32-bit device is specified, only the bottom 16 bits are used.
Loop
Set the operation to be initiated after the movie files have been saved as specified in [<:fc 1>Number of Files<:/fc>].
Disable
After all the specified files have been saved (the MAX bit is turned ON), no more files can be saved. To resume saving, delete movie files or specify files saved in another folder and turn ON the resume bit. The MAX bit turns OFF.
Enable
After all the specified files have been saved (the MAX bit is turned ON), no more files can be saved. When the resume bit is turned ON, the oldest file is deleted and a new file is saved.
Auto
Once all the specified files have been saved (the MAX bit is turned ON), the files are deleted starting with the oldest file, and new files are saved.
Timing Chart for Saving to CF/USB (Saving to SD/USB)

![]()
Bit 1 (resume bit) of the [Control] address does not automatically turn OFF. Confirm that bit 2 (MAX bit) of the [Status] address is tuned OFF and then turn OFF the resume bit.