28.10.1.4 Video/Movie - Save to FTP

Record to FTP

Set whether to record from a video camera and save on an FTP server.

FTP server

Specify the FTP server for saving the movie files. Use the FTP server number registered in [FTP Server] in the system setting window.

Direct

Select the FTP server number from 0-31.

Indirect

Specify the address for saving, and specify the connection number for the server on which the files will be saved. You can change the FTP server for saving files on the connection device.

Use a sequence of 3 Words from the specified address.

Turn ON bit 0 to specify the numbers saved in the following address as the FTP server connection.

Store the server connection number. Store it before turning ON bit 0 of the [Control] address.

Turning ON bit 0 in the [Control] address also turns ON bit 0 in the [Status] address. Specifying the server connection number while saving is in progress results in an error and bit 15 turns ON.

  • Bit 0 and bit 15 of the [Status] address are turned OFF when bit 0 of the [Control] address is turned OFF.

  • If a 32-bit device is specified, only the bottom 16 bits are used.

File Size

Specify the size of each movie file to be saved. The settings range is from 1 to 2048 MB. Any pictures that exceed the specified file size are automatically saved in the next file. The file uses the name based on the timestamp (year, month, date, hours, minutes, seconds) when the file is created.

User set string

Specify the character string to be included in the folder and file names for the saved video files. You can specify up to two single-byte alphanumeric characters.

Direct

Directly input the settings.

Indirect

Specify the address used for saving the file and for specifying the strings as user set strings. You can change any file name on the connection device. Use a sequence of 3 Words from the specified address.

Turn ON bit 0 to save the codes in the following address as "user set string".

Save the string codes. The procedure for saving text codes differs depending on the connection devices.

When you turn bit 0 in [Control] address ON, the bit 0 in [Status] address turns ON. If you specify user-defined text strings while monitoring is in progress, it generates an error and turns bit 15 ON.

  • Bit 0 and bit 15 of the [Status] address are turned OFF when bit 0 of the [Control] address is turned OFF.

  • If a 32-bit device is specified, only the bottom 16 bits are used.

  • Using D-script if you copy the value of system variable #H_LocalName to [User Set String] and set [Control] ON, a folder will be created using the name of the display unit. When saving videos from multiple Displays, you can easily determine which folder is for which Display.

Timeout

Specify the queuing time for when the FTP server does not respond to an access request. The value can be from 10 to 120 seconds.

Control Word Address

Specify the address for controlling save operations. Use a sequence of 2 Words from the specified address.

Turn ON bit 0 to start recording. Turn OFF the bit to stop recording.
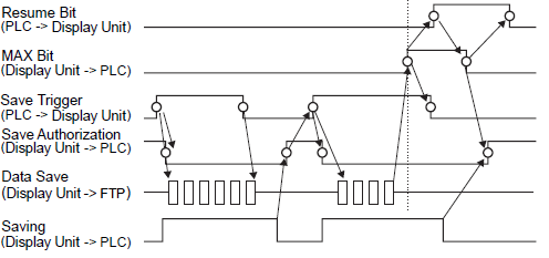
Timing Chart for Saving to FTP

Stores the operation status and error status for the save to FTP operation.


Save authorization bits are turned ON when the display unit's power is turned on.
The error status indicates the following conditions.

Error Code

0

Completed Successfully

-

1...8

Reserved

-

9

FTP Connection Error

The FTP server is not operating normally, or the FTP server does not exist.

10

FTP Login Error

The FTP user name or password is incorrect.

11

Write Error

The logged in user does not have writing privileges, or writing to the FTP server has failed, or there is not enough free space.

12...13

Reserved

-

14

Client functions are operating

Saving to FTP server was initiated while movie play was in progress.

15

Reserved

-

 

Timing Chart for Saving to FTP