Summary
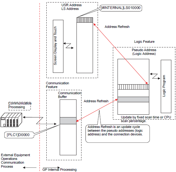
When device addresses are used in logic programs, pseudo addresses (logic addresses) of the logic features are allocated. The device addresses are updated periodically and logic programs are run through these allocated pseudo addresses.
Address Refresh is the method of updating the data between device addresses and pseudo addresses.
You can specify the update interval depending on the user system.

Setup Procedure
You can choose the address refresh update from fast, medium or slow.
![]()
Update interval is not a fixed value as it is affected by the user system. The actual update interval is stored in (#L_AddressRefreshTime). Adjust the system variable to select fast, medium or slow for the update interval.
The update speed of the screen may be affected because the address refresh update interval is shorter.
![]()
Please refer to the Settings Guide for details.
5.4.5 System Settings [Display Unit] - [Logic] Settings Guide
From the [Project] menu, point to [System Settings], click [Display Unit] and open the [Logic] tab.
From [System Settings], click [>>Extended].

In [Address Refresh], select the speed.
